

作品包括:
Word版设计说明书1份
外文翻译一份
CAD版本图纸,共21张

摘要
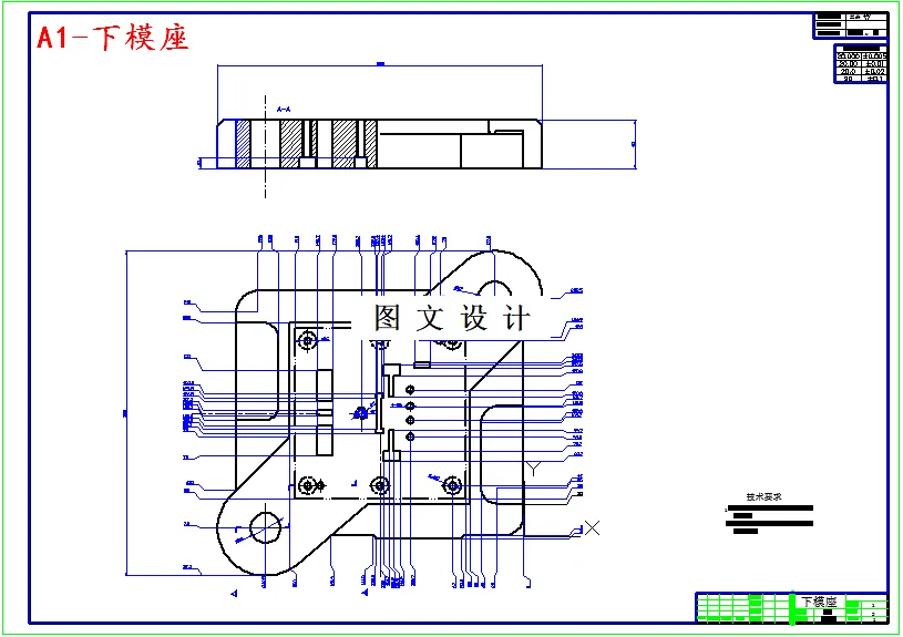
本设计是对接触器钣金件的工艺分析与模具设计,零件材料为Q235,结构简单,形状非对称,产量为大批量,模具在加工零件时要保证其精度为IT14级。对零件进行工艺分析后,确定接触器冲压设计选择的是级进模,主要的工序有冲裁和弯曲,设计出合理的排样,并进行工艺计算。设计出的级进模第一工位为切侧刃,第二工位为冲圆孔,第三工位为落外形,第四工位为异形冲裁,第五工位及以后为弯曲,最后一个工位是切断。模具主要结构为上、下模座,卸料板,凸模固定板,导料板,垫板,凸模,导向装置,定位装置和紧固件。所设计的级进模为对角导柱导套的模架,采用弹性卸料装置,并选择合适的压力机。
温馨提示:
1、题目前面的备注【字母数字编号】为本站整理分类的编号,与课题内容无关,请选题时忽视;
2、若题目上备注三维,则表示文件里包含三维源文件,由于三维组成零件数量较多,为保证预览截图的简洁性,本站将三维文件夹进行了打包。三维及CAD预览截图,均为本站电脑打开软件进行截图的,保证能够打开,下载原件超高清,下载后解压即可;
3、本站所有资源如无特殊说明,都需要本地电脑安装Office2007。图纸软件为AutoCAD,PROE,UG,SolidWorks,CATIA等;
4、本站所有图文资料仅供用户学习参考,不作为任何商用或其他用途;
5、本站不保证下载资源的准确性、安全性和完整性, 不包修改,不支持退换,同时也不承担用户因使用这些下载资源对自己和他人造成任何形式的伤害或损失;
6、 下载文件中如有侵权或不适当内容,请与我们联系,我们立即纠正。