

作品包括:
Word版设计说明书1份
任务书一份
开题报告一份
外文翻译一份
CAD版本图纸,共17张
摘要
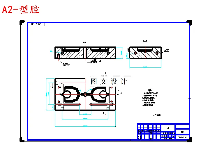
耳机电池盖是一种具有抽芯结构的注塑模具。本次设计所用的材料是ABS,产品的形状不复杂,精度等级要求一般,根据对产品的分析,提高生产效率,节约成本,本次设计初步分析采用一模两腔的设计,同时为了保证产品的表面质量精度,因此采用浇口的形式为侧浇口。根据对产品的综合分析,本次模具的抽芯机构将会采用斜顶抽芯的结构,并且为了结构简便,本次设计没有采用推杆,而是用斜顶直接顶出。
温馨提示:
1、题目前面的备注【字母数字编号】为本站整理分类的编号,与课题内容无关,请选题时忽视;
2、若题目上备注三维,则表示文件里包含三维源文件,由于三维组成零件数量较多,为保证预览截图的简洁性,本站将三维文件夹进行了打包。三维及CAD预览截图,均为本站电脑打开软件进行截图的,保证能够打开,下载原件超高清,下载后解压即可;
3、本站所有资源如无特殊说明,都需要本地电脑安装Office2007。图纸软件为AutoCAD,PROE,UG,SolidWorks,CATIA等;
4、本站所有图文资料仅供用户学习参考,不作为任何商用或其他用途;
5、本站不保证下载资源的准确性、安全性和完整性, 不包修改,不支持退换,同时也不承担用户因使用这些下载资源对自己和他人造成任何形式的伤害或损失;
6、 下载文件中如有侵权或不适当内容,请与我们联系,我们立即纠正。