

作品包括:
说明书一份,32页,8200字左右.
任务书一份
开题报告一份
CAD版本图纸共7张
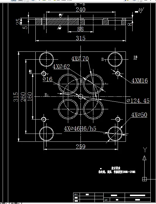
摘 要:根据设计任务书的要求,本设计说明书针对取样管注射模设计进行说明。
主要内容包括模具结构形式的制定、浇注系统的设计、成型零件的设计、推出机构的设计、模架的选用。根据生产批量和产品结构的要求,拟定了……方案,经过各种方案的比较,最后确定……最优方案。此外,为了提高劳动生产率,降低劳动强度,保证加工质量。
关键词:取样管、注射模、模具结构、推出机构、浇注系统、成型零件、加工工艺
目 录
绪论…………………………………………………1
1.1 课题的来源、目的、意义………………………………………1
1.2课题主要内容和工作方法………………………………………4
1.3 解决的重点问题与创新………………………………………5
第二章 产品的设计与制作 ………………………………6
2.1拟定模具结构形式 …………………………………6
2.2浇注系统的设计………………………………………………12
2.3成型零件的设计………………………………………………18
2.4模架的选用 ……………………………………………………21
2.5排气槽的设计 …………………………………………………22
2.6推出机构的确定………………………………………………22
2.7温度调节系统的设计………………………………………… 23
第三章 模具零件制造与装配
3.1型腔制造工艺方案…………………………………………25
3.2型芯制造工艺方案…………………………………………26
3.3模具装配………………………………………………… 27
第四章 小结……………………………………………………29
第五章 结果与建议…………………………………………30
参考文献…………………………………………………………30
致谢………………………………………………………………32
温馨提示:
1、题目前面的备注【字母数字编号】为本站整理分类的编号,与课题内容无关,请选题时忽视;
2、若题目上备注三维,则表示文件里包含三维源文件,由于三维组成零件数量较多,为保证预览截图的简洁性,本站将三维文件夹进行了打包。三维及CAD预览截图,均为本站电脑打开软件进行截图的,保证能够打开,下载原件超高清,下载后解压即可;
3、本站所有资源如无特殊说明,都需要本地电脑安装Office2007。图纸软件为AutoCAD,PROE,UG,SolidWorks,CATIA等;
4、本站所有图文资料仅供用户学习参考,不作为任何商用或其他用途;
5、本站不保证下载资源的准确性、安全性和完整性, 不包修改,不支持退换,同时也不承担用户因使用这些下载资源对自己和他人造成任何形式的伤害或损失;
6、 下载文件中如有侵权或不适当内容,请与我们联系,我们立即纠正。