

作品包括:
Word版设计说明书1份,共23页,约9200字
任务书一份
开题报告一份
CAD版本图纸,共7张
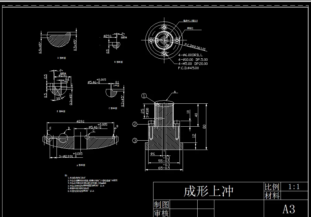
![1750518399494542.webp Z_PIGQZWWI$_Q]DYXW`O]TN.webp](/static/upload/image/20250621/1750518399494542.webp)
摘要
随着我国经济的迅速发展,粉末冶金在我国也取的了长足的进步,在机械行业中应用中也越来越广泛,对机械行业的发展起着越来越重要的作用。由于粉末冶金自身的缺陷一般只能制造出简单的零件,所以在机械行业中的应用受到一定的限制,但是随着各种先进的加工方法的出现,从而能够制造出比以前更为复杂的零件也大大提高了产品的生产率从而大大的提高了粉末冶金产品的竞争力。粉末冶金相对其他行业而言起步比较晚,现在还处于改进摸索阶段,所以粉末冶金行业的发展空间很大,以后在各个行业的应用也会越来越普遍所以粉末冶金是一门很有前途行业。本设计的主要内容是如何使得粉末冶金在制造工艺过程中简单合理、提高产品的质量、提高生产率、降低成本;在考虑产品的收缩率或膨胀率等因素的情况下如何设计的模具更合理。
关键词: 成形;烧结;回火;振动研磨;压PIN;油浸.
目 录
1模具设计…………………………………..………………........................1
1.1成形上冲的设计……………………………………………..3
1.2成形中模设计…………………………………………………3
1.3成形下一冲设计……………………………….…………………...4
1.4下二冲设计………………..................................................4
1.5成形芯棒的设计…………………………………………………………5
2粉末成形之前的处理………………..................................................6
3 零件的成形………………..................................................7
3.1 填充粉末………………...................................................7
3.2 成形………………..................................................8
3.3 零件设计注意要素……………..…................................................10
4 零件的烧结…………………………………………………….11
4.1 初期烧结………………..................................................11
4.2 中期烧结………………..................................................13
4.3 后期烧结…………………………………………………………….14
5烧结的过程……………………………………………………….15
5.1脱脂………………..................................................................................15
5.2烧结气氛………………..........................................................................16
6烧结体的后处理………………..................................................................17
6.1热处理………………..............................................................................17
6.2接合………………..................................................................................18
6.3振研………………..................................................................................18
6.4黑化………………..................................................................................18
6.5超音波洗净………………......................................................................20
总结…………………………………………………………………..21
参考文献……………………………………………………..……………...22
致谢……………………………………………………..…………………..23
温馨提示:
1、题目前面的备注【字母数字编号】为本站整理分类的编号,与课题内容无关,请选题时忽视;
2、若题目上备注三维,则表示文件里包含三维源文件,由于三维组成零件数量较多,为保证预览截图的简洁性,本站将三维文件夹进行了打包。三维及CAD预览截图,均为本站电脑打开软件进行截图的,保证能够打开,下载原件超高清,下载后解压即可;
3、本站所有资源如无特殊说明,都需要本地电脑安装Office2007。图纸软件为AutoCAD,PROE,UG,SolidWorks,CATIA等;
4、本站所有图文资料仅供用户学习参考,不作为任何商用或其他用途;
5、本站不保证下载资源的准确性、安全性和完整性, 不包修改,不支持退换,同时也不承担用户因使用这些下载资源对自己和他人造成任何形式的伤害或损失;
6、 下载文件中如有侵权或不适当内容,请与我们联系,我们立即纠正。