

作品包括:
Word版设计说明书1份
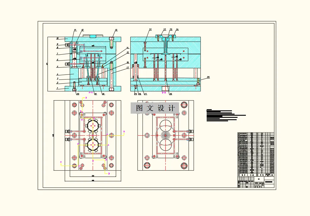
CAD版本图纸,共6张
摘要
随着社会经济的发展,越来越多的塑料产品与我们生活息息相关。本次模具设计主要任务就是针对汽车轮毂中心盖设计一套注塑模具,先用 软件对产品进行三维建模,完成汽车轮毂中心盖塑件的结构工艺性分析,再运用 Mlowflow 对其进行注塑流动模拟分析。然后确定了本次模具设计最佳分型面为塑件下表面位置,采用一模两腔的布局,考虑到塑件的使用要求,选用 ABS 作为塑件的原材料。注塑模具浇注系统为侧浇口、采用斜顶抽芯机构、推杆斜顶推出机构,导柱导套合模导向机构的模具总体结构设计。通过对汽车轮毂中心盖注塑模具的设计,了解到一套模具的设计制造原理,过程以及方法。
温馨提示:
1、题目前面的备注【字母数字编号】为本站整理分类的编号,与课题内容无关,请选题时忽视;
2、若题目上备注三维,则表示文件里包含三维源文件,由于三维组成零件数量较多,为保证预览截图的简洁性,本站将三维文件夹进行了打包。三维及CAD预览截图,均为本站电脑打开软件进行截图的,保证能够打开,下载原件超高清,下载后解压即可;
3、本站所有资源如无特殊说明,都需要本地电脑安装Office2007。图纸软件为AutoCAD,PROE,UG,SolidWorks,CATIA等;
4、本站所有图文资料仅供用户学习参考,不作为任何商用或其他用途;
5、本站不保证下载资源的准确性、安全性和完整性, 不包修改,不支持退换,同时也不承担用户因使用这些下载资源对自己和他人造成任何形式的伤害或损失;
6、 下载文件中如有侵权或不适当内容,请与我们联系,我们立即纠正。