

作品包括:
Word版设计说明书1份
CAD版本图纸,共8张
摘要
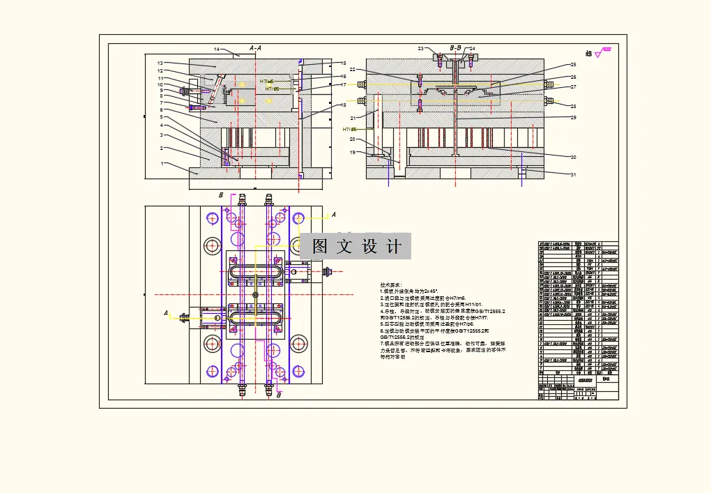
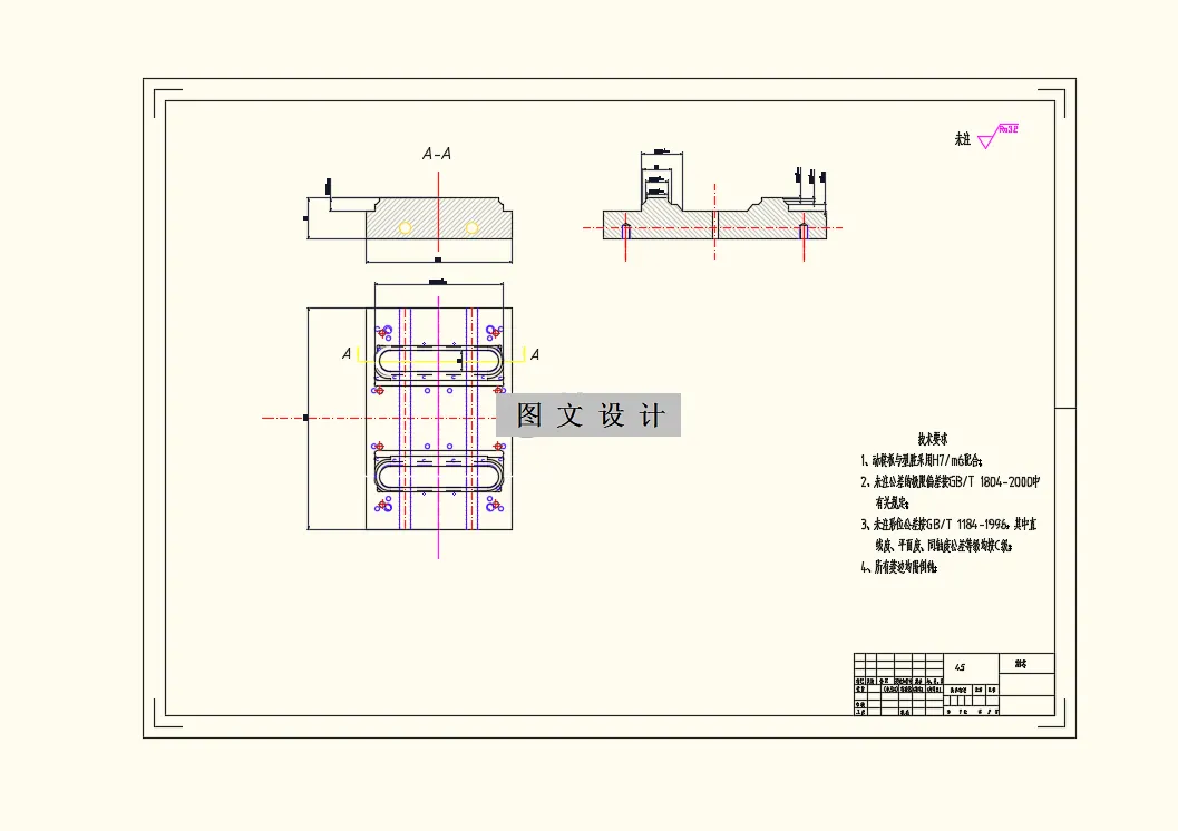
本次设计中我选择家用储物盒塑件卡扣进行注塑模具设计。并且根据设计的实际要求对实体模型实际测量,然后得到家用储物盒塑件卡扣的具体详细尺寸,然后我们利用 对家用储物盒塑件卡扣进行 3d 立体建模,接着需要对家用储物盒塑件卡扣进行 MoldFlow 成型分析。查询相关手册确定整体结构方案,选择注塑模架,选择塑料加工设备,确定所有部分的具体结构和尺寸。本次设计对家用储物盒塑件卡扣进行塑件的结构工艺性分析;选定塑件成型材料,并进行成型工艺性分析;选择模具分型面、确定型腔数目;选定注塑成型设备规格;完成浇注系统、成型零件结构、模具冷却系统和推出机构的设计方案。据此完成模具的总装结构草图的设计,并以此为思路, 完成了零件图的设计。
温馨提示:
1、题目前面的备注【字母数字编号】为本站整理分类的编号,与课题内容无关,请选题时忽视;
2、若题目上备注三维,则表示文件里包含三维源文件,由于三维组成零件数量较多,为保证预览截图的简洁性,本站将三维文件夹进行了打包。三维及CAD预览截图,均为本站电脑打开软件进行截图的,保证能够打开,下载原件超高清,下载后解压即可;
3、本站所有资源如无特殊说明,都需要本地电脑安装Office2007。图纸软件为AutoCAD,PROE,UG,SolidWorks,CATIA等;
4、本站所有图文资料仅供用户学习参考,不作为任何商用或其他用途;
5、本站不保证下载资源的准确性、安全性和完整性, 不包修改,不支持退换,同时也不承担用户因使用这些下载资源对自己和他人造成任何形式的伤害或损失;
6、 下载文件中如有侵权或不适当内容,请与我们联系,我们立即纠正。