

作品包括:
Word版设计说明书1份
CAD版本图纸,共6张
摘要
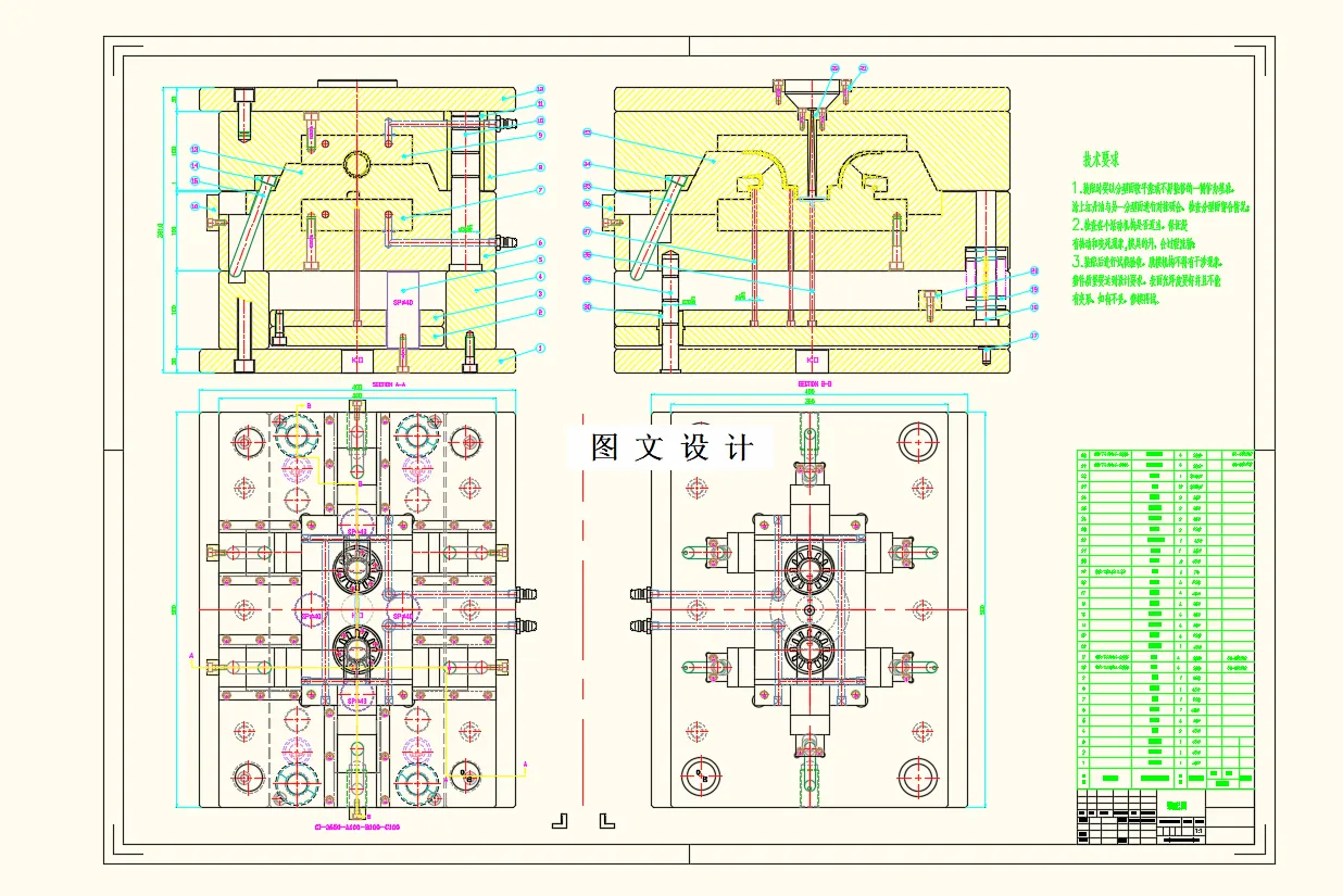
模具技术为工业生产当中的支撑,具有高效率低能耗的工艺,被广泛的运用于各个行业当中,覆盖机械、航天军工,电子等行业,对国明经济发展起到关键作用,并且模具技术水平也是作为国家制造技术的考量因素,近些年来模具产值在不断上升,市场的缺口在不断增大。塑料模具作为模具当中的一种,由于塑料产品的性能比较好,性价比高,因此塑料产品占据模具产品的大部分,为人们的衣食住行提供了优质的产品,随着工业的不断发展,对于一些高精度模具的市场需求也在逐步增大,未来的模具前景也会更好。 本次设计的是客车座椅前连接板注塑模具,这种座椅连接板是比较常见的,为汽车当中的座椅的一块板。分析前连接板的使用需求和工艺性能要求,选取POM材料,并且需要确定模具结构,对分型面做出选取和型腔的排布确定,本次是设计一模两腔的方式,以及侧浇口进胶,同时合理选取注射机设备,以及对注射机的参数校核,成型零件的尺寸计算,同时还要完成浇注系统设计,冷却系统的设计等任务,并且完成注塑模具的装配图和零件图,说明书的写作要求等。
温馨提示:
1、题目前面的备注【字母数字编号】为本站整理分类的编号,与课题内容无关,请选题时忽视;
2、若题目上备注三维,则表示文件里包含三维源文件,由于三维组成零件数量较多,为保证预览截图的简洁性,本站将三维文件夹进行了打包。三维及CAD预览截图,均为本站电脑打开软件进行截图的,保证能够打开,下载原件超高清,下载后解压即可;
3、本站所有资源如无特殊说明,都需要本地电脑安装Office2007。图纸软件为AutoCAD,PROE,UG,SolidWorks,CATIA等;
4、本站所有图文资料仅供用户学习参考,不作为任何商用或其他用途;
5、本站不保证下载资源的准确性、安全性和完整性, 不包修改,不支持退换,同时也不承担用户因使用这些下载资源对自己和他人造成任何形式的伤害或损失;
6、 下载文件中如有侵权或不适当内容,请与我们联系,我们立即纠正。