

作品包括:
Word版设计说明书1份
CAD版本图纸,共22张
摘要
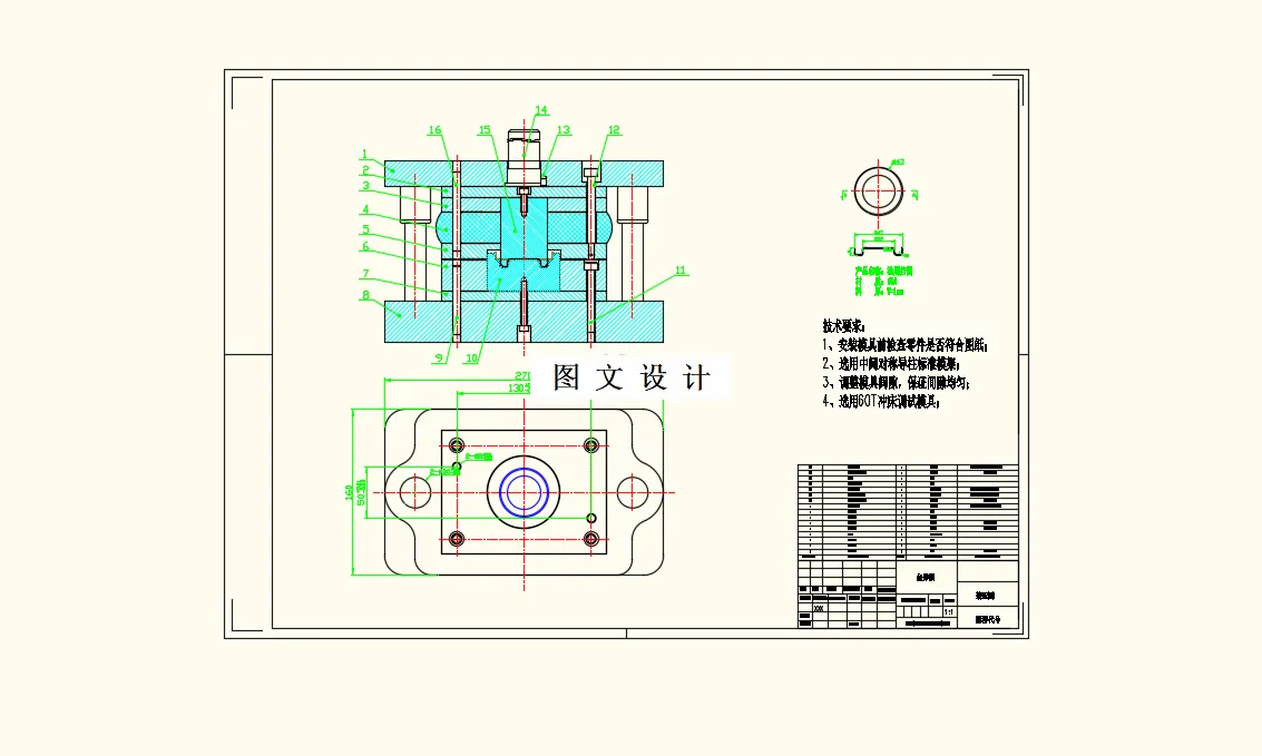
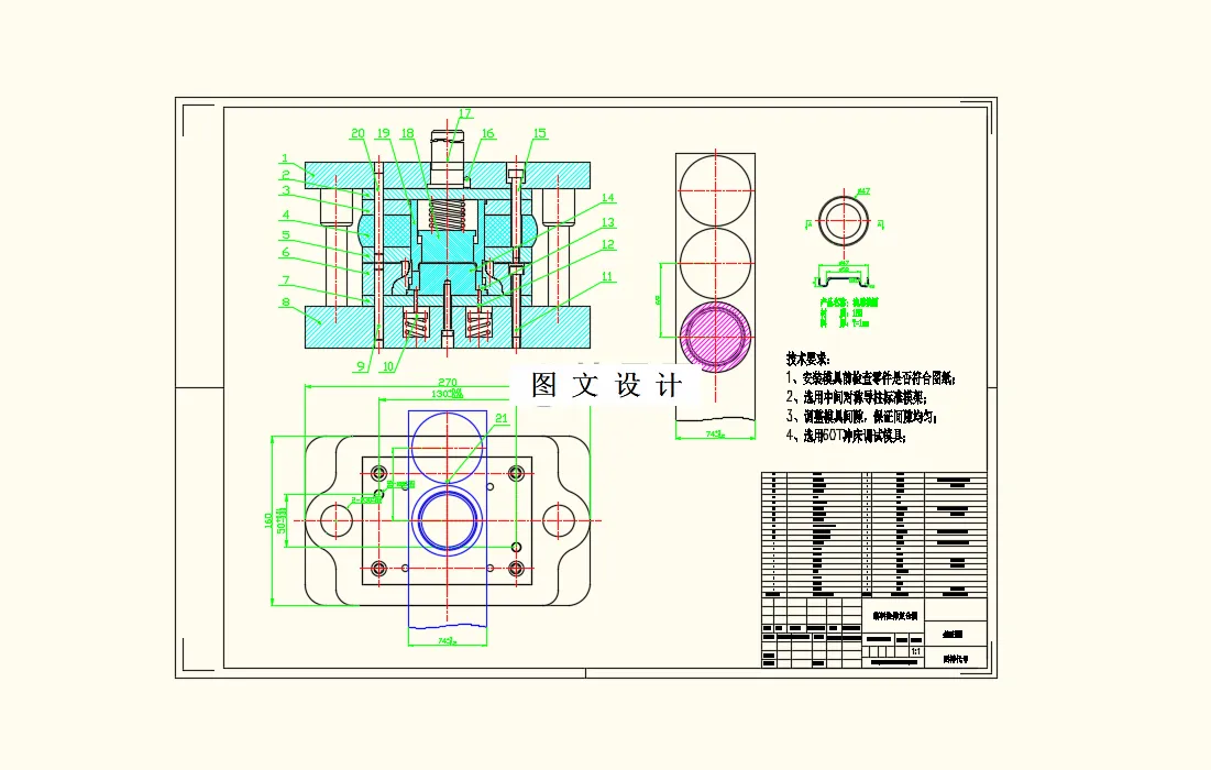
近年来,我国的工业生产在不断发展,冲压模具也正在扮演着越来越重要的角色,本篇设计主要是针对油用挡圈冲压模具设计进行分析、计算,完整地介绍了为了完成该模具的设计,前期要准备的工作,以及这个模具的成形过程。经过对该模具的量产、质量、形状大小及使用要求的分析,我选择用复合模来完成这个零件的落料及拉深。本篇说明书中详细介绍了对材料的选择、对工艺性的分析、工艺方案的确定、对模具总体结构的设计、对模具工艺与设计的计算、模具标准件的选择、闭合高度的计算,以及落料首次拉深复合模的结构设计。除了文字说明以外,还给出了该零件的装配图、工艺规程卡片,以及加工工艺卡。
温馨提示:
1、题目前面的备注【字母数字编号】为本站整理分类的编号,与课题内容无关,请选题时忽视;
2、若题目上备注三维,则表示文件里包含三维源文件,由于三维组成零件数量较多,为保证预览截图的简洁性,本站将三维文件夹进行了打包。三维及CAD预览截图,均为本站电脑打开软件进行截图的,保证能够打开,下载原件超高清,下载后解压即可;
3、本站所有资源如无特殊说明,都需要本地电脑安装Office2007。图纸软件为AutoCAD,PROE,UG,SolidWorks,CATIA等;
4、本站所有图文资料仅供用户学习参考,不作为任何商用或其他用途;
5、本站不保证下载资源的准确性、安全性和完整性, 不包修改,不支持退换,同时也不承担用户因使用这些下载资源对自己和他人造成任何形式的伤害或损失;
6、 下载文件中如有侵权或不适当内容,请与我们联系,我们立即纠正。