

作品包括:
Word版设计说明书1份
CAD版本图纸,共6张
摘要
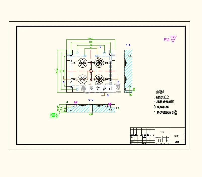
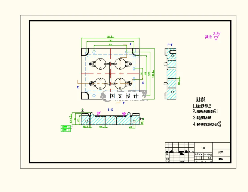
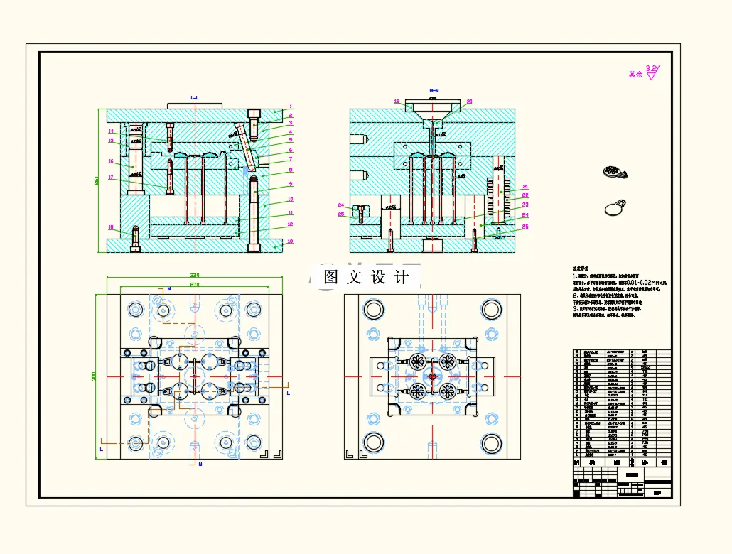
本文对塑件进行了工艺分析,又对塑料挂钩进行材料特性分析(性能参数和成型特性)。本详细进行了塑料挂钩的结构特点分析,塑料挂钩体积计算和型腔布局的确定,并在注塑模具的定模座与动模座的闭合面上设置相互配合的密封圈,还介绍了标准模架的选型.针对塑料挂钩结构特点,应用CAD进行了塑料挂钩的尺寸、零件、及系统装配的详细设计。
温馨提示:
1、题目前面的备注【字母数字编号】为本站整理分类的编号,与课题内容无关,请选题时忽视;
2、若题目上备注三维,则表示文件里包含三维源文件,由于三维组成零件数量较多,为保证预览截图的简洁性,本站将三维文件夹进行了打包。三维及CAD预览截图,均为本站电脑打开软件进行截图的,保证能够打开,下载原件超高清,下载后解压即可;
3、本站所有资源如无特殊说明,都需要本地电脑安装Office2007。图纸软件为AutoCAD,PROE,UG,SolidWorks,CATIA等;
4、本站所有图文资料仅供用户学习参考,不作为任何商用或其他用途;
5、本站不保证下载资源的准确性、安全性和完整性, 不包修改,不支持退换,同时也不承担用户因使用这些下载资源对自己和他人造成任何形式的伤害或损失;
6、 下载文件中如有侵权或不适当内容,请与我们联系,我们立即纠正。