

作品包括:
Word版说明书1份,共34页,约11000字
CAD版本图纸,共10张
摘 要
我国冲压模具无论在数量上,还是在质量、技术和能力等方面都已有了很大发展,但与国民经济需求和世界先进水平相比,差距仍很大,一些大型、精密、复杂、长寿命的高档模具每年仍大量进口,特别是中高档轿车的覆盖件模具,目前仍主要依靠进口。因而只有培养模具人才才能缩小我国同发达国家之间的距离。
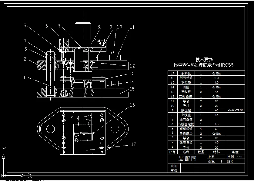
这次毕业设计我设计的是酒瓶盖启子冲裁模,利用的是级进模生产的。级进模,又称为多工位级进模、连续模、跳步模,它是在一副模具内,按所加工的工作分为若干等距离的工位,在每个工位设置一个或几个基本冲压工序,来完成冲压工作某部分的加工。被加工材料,事先加工成一定宽度的条料,采用某种送进方法,每次送进一个步距。经逐个工位冲制后,便得到一个完整的冲压工件。在一副级进模中,可以连续完成冲裁、弯曲、拉深、成形等工序。一般来说,无论冲压零件形状怎么复杂,冲压工序怎样多,均可用一副级进模冲成完成。
本设计重点是在分析冲裁变形过程及冲裁件质量影响因素的基础上,主要介绍冲裁件的工艺性分析、确定冲裁工艺方案、选择模具的结构形式、进行必要的工艺计算、选择与确定模具的主要零部件的结构与尺寸、校核模具闭合高度及压力机有关参数、绘制模具总装图及零件图都是这次设计的主要内容。
用于级进模的材料,都是长条状的板材。材料较厚、生产批量较少时,可剪成条料;生产批量大时,应选择卷料。卷料可以自动送料,自动收料,可使用高速冲床自动冲压。级进模对材料的厚度和宽度都有严格的要求。宽度过大,条料不能进入模具的导料板或通行不畅;宽度过小则影响定位精度,还容易损坏侧刃、凸模等零件。
本次设计不仅让我熟悉了课本所学的知识,而且我做了把所学到的知识运用到实践当中,更让我了解了级进模设计的全过程和加工实践的各种要点。
关键词 酒瓶盖启子,冲孔,落料,级进模
目 录
1 冲压件工艺性分析及冲裁方案的确定 1
2主要设计计算 3
2.1 排样方案的确定及计算 3
2.2 冲压力的计算 4
2.3 压力中心的确定及相关计算 5
2.4 工作零件刃口尺寸计算 7
2.5 卸料弹簧的设计 10
3模具总体设计 12
3.1 模具类型的选择 12
3.2 定位方式的选择 12
3.3 卸料﹑出件、导向方式的选择 12
4 零件的结构设计 14
4.1 落料凸模的设计 14
4.2 冲孔凸模的设计 15
4.3 凹模的设计 16
5模具材料的选用及其它零部件的设计 18
5.1 模具材料的选用 18
5.2 定位零件的设计 19
5.3 料板及卸料部件的设计 20
5.4 模架及其他零部件的设计 20
6 模具总装图及设备的选定 22
6.1模具的总装图 22
6.2 设备的选定 23
7 模具零件加工工艺 24
8 模具的装配和冲裁模具的试冲 26
8.1 模具的装配 26
8.2 冲裁模具的试冲 26
总结与致谢 29
参考文献 30
温馨提示:
1、题目前面的备注【字母数字编号】为本站整理分类的编号,与课题内容无关,请选题时忽视;
2、若题目上备注三维,则表示文件里包含三维源文件,由于三维组成零件数量较多,为保证预览截图的简洁性,本站将三维文件夹进行了打包。三维及CAD预览截图,均为本站电脑打开软件进行截图的,保证能够打开,下载原件超高清,下载后解压即可;
3、本站所有资源如无特殊说明,都需要本地电脑安装Office2007。图纸软件为AutoCAD,PROE,UG,SolidWorks,CATIA等;
4、本站所有图文资料仅供用户学习参考,不作为任何商用或其他用途;
5、本站不保证下载资源的准确性、安全性和完整性, 不包修改,不支持退换,同时也不承担用户因使用这些下载资源对自己和他人造成任何形式的伤害或损失;
6、 下载文件中如有侵权或不适当内容,请与我们联系,我们立即纠正。