

作品包括:
Word版设计说明书1份
CAD版本图纸,共19张
UG三维图一套
模流分析一份
摘要
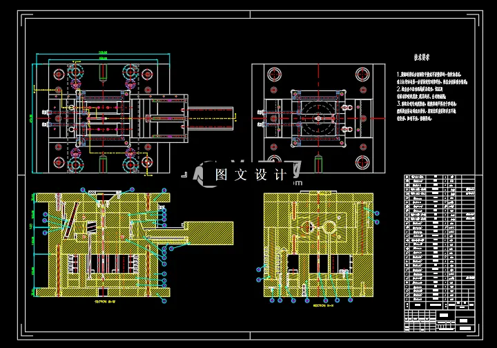
本文是关于滤芯壳体注塑模具的设计,塑件虽然不是很复杂,但其设计的难点在于侧向抽芯机构和浇注系统的设计。本次设计主要使用UG软件,结合生产实践来设计滤芯壳体注塑模具的整体结构,通过对塑件形状、尺寸等方面的分析来确定其工艺。主要包括分型面的选择,浇注系统的设计,成型零件的计算,侧向抽芯机构的设置,顶出机构和冷却系统的设计等,此外还对其脱模力进行计算,并选择合适的注塑机。
温馨提示:
1、题目前面的备注【字母数字编号】为本站整理分类的编号,与课题内容无关,请选题时忽视;
2、若题目上备注三维,则表示文件里包含三维源文件,由于三维组成零件数量较多,为保证预览截图的简洁性,本站将三维文件夹进行了打包。三维及CAD预览截图,均为本站电脑打开软件进行截图的,保证能够打开,下载原件超高清,下载后解压即可;
3、本站所有资源如无特殊说明,都需要本地电脑安装Office2007。图纸软件为AutoCAD,PROE,UG,SolidWorks,CATIA等;
4、本站所有图文资料仅供用户学习参考,不作为任何商用或其他用途;
5、本站不保证下载资源的准确性、安全性和完整性, 不包修改,不支持退换,同时也不承担用户因使用这些下载资源对自己和他人造成任何形式的伤害或损失;
6、 下载文件中如有侵权或不适当内容,请与我们联系,我们立即纠正。