

作品包括:
Word版说明书1份,共25页,约10000字
CAD版本图纸,共14张
UG三维图一套
![1744433563223753.webp 7P]3A52{JF64X%LP}[5J9_S.webp](/static/upload/image/20250412/1744433563223753.webp)
摘要
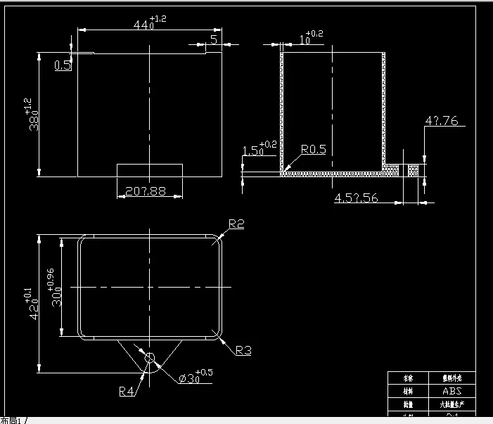
本文是肥皂盒底座注塑模具设计的详细过程,包括分析,说明,与计算过程,说明书四部分组成,组要阐述了此模具设计的全过程。包括塑件的工艺性能分析、注塑成型模具设计、模具与注塑机的关系、注塑模成型零部件设计与计算、模具成型零件的设计与计算、试模与模具的维修等。
关键词:肥皂盒底座,塑料模具,模具设计
目 录
摘 要 2
Abstract 2
引言 5
第一章 肥皂盒底座及其成型工艺的分析 5
1.1 塑件分析 5
1.1.1 结构分析如下 5
1.1.2 成型工艺分析 6
1.2 塑料的选材及性能分析 6
1.2.1 ABS使用特点 6
1.2.2 ABS成型特性 6
1.2.3 ABS的主要性能指标 6
1.3 ABS塑料的注射过程及工艺 7
1.3.1 注射成型过程 7
1.3.2 ABS的注射工艺参数 7
1.4 ABS的主要缺陷及消除措施 7
1.4.1 残余应力引起的龟裂 7
1.4.2 熔接痕 8
第二章 模具设计方案 8
2.1 分型面方案的优化确定 8
2.1.1 分型面的选择原则 8
2.2 型腔数量以及排列方式确定 9
第三章 模具设计与对比创新 10
3.1 注塑机选型 10
3.1.1 注射量计算 10
3.1.2 注射机型号的选定 10
3.1.3 型腔数量的校核及注射机有关工艺参数的校核 11
3.2 模具浇注系统设计和浇口的设计 13
3.2.1 主流道的设计 13
3.2.2 浇口和流道的设计优化 14
3.3 成型零件工作尺寸的设计和计算 15
3.3.2 型腔零件刚度和强度校核 17
3.4 模架的确定和标准件的选用 17
3.5 合模导向机构和定位机构 18
3.5.1 导向机构的总体设计 18
3.5.2 导柱设计 18
3.5.3 导套设计 19
3.6 脱模推出机构的设计 19
3.6.1 脱模推出机构的设计原则 19
3.6.2 塑件的推出机构 19
3.7 冷却系统的优化设计 20
3.7.1 加热系统 20
3.7.2 冷却系统 20
3.7.3 冷却装置布置方案的确定 22
3.8 模具材料例表 22
第四章 模具装配 23
4.1 塑料模具装配的技术要求 23
4.2 塑料模具装配过程 24
4.2.1 装配动模部分 24
4.2.2 装配定模部分 24
总 结 24
致 谢 24
参考文献 25
温馨提示:
1、题目前面的备注【字母数字编号】为本站整理分类的编号,与课题内容无关,请选题时忽视;
2、若题目上备注三维,则表示文件里包含三维源文件,由于三维组成零件数量较多,为保证预览截图的简洁性,本站将三维文件夹进行了打包。三维及CAD预览截图,均为本站电脑打开软件进行截图的,保证能够打开,下载原件超高清,下载后解压即可;
3、本站所有资源如无特殊说明,都需要本地电脑安装Office2007。图纸软件为AutoCAD,PROE,UG,SolidWorks,CATIA等;
4、本站所有图文资料仅供用户学习参考,不作为任何商用或其他用途;
5、本站不保证下载资源的准确性、安全性和完整性, 不包修改,不支持退换,同时也不承担用户因使用这些下载资源对自己和他人造成任何形式的伤害或损失;
6、 下载文件中如有侵权或不适当内容,请与我们联系,我们立即纠正。