

作品包括:
Word版设计说明书1份
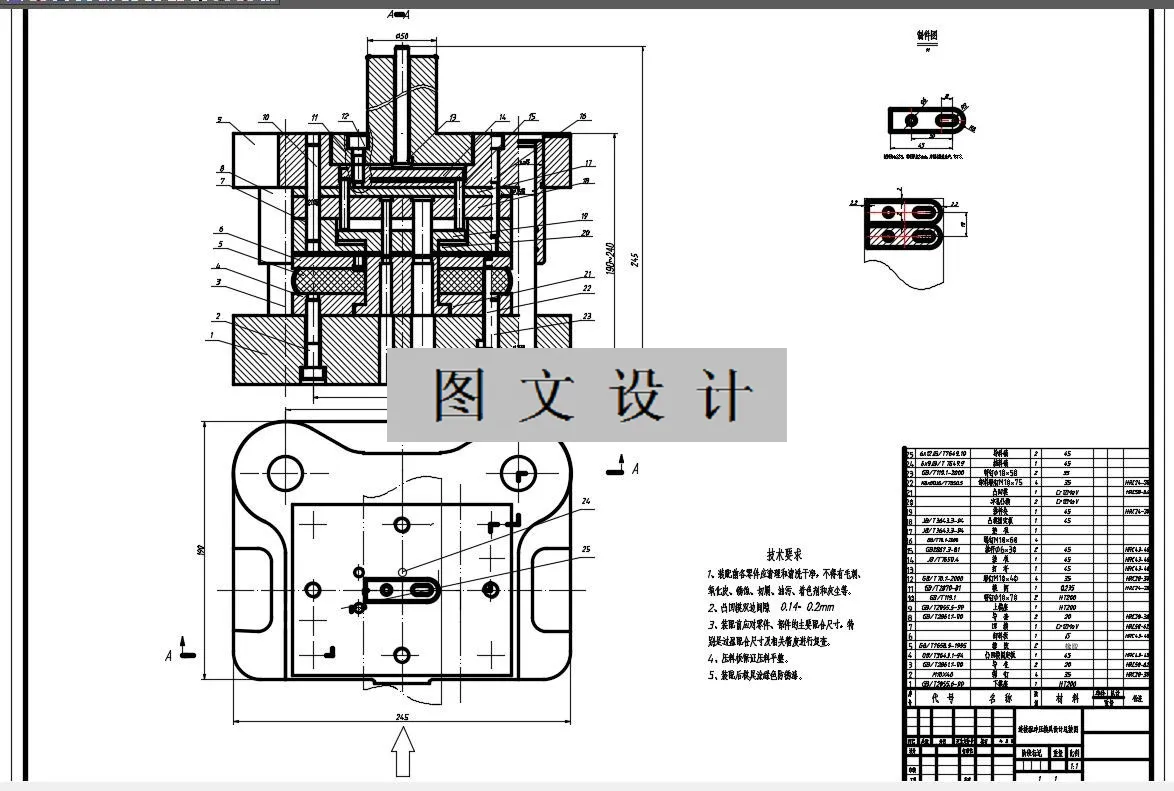
CAD版本图纸,共10张
UG三维图一套
摘要
本文对摇臂复合冲压模具进行简单的分析,根据毛坯的几何形状要求、材料和尺寸的分析得出冲裁排样设计图、凸模、凹模和凸凹模的结构,采用倒装式复合模冲压,有利于提高生产效率,降低成本、缩短制造周期,模具设计有一定的难度。工艺分析结束后,进行主要零件尺寸的计算,包括凸、凹模以及凸凹模刃口以及毛坯尺寸的计算,然后选取冲压设备,接着是主要零部件的设计和选取,最后进行压力机的校核,采用CAD软件绘制冲压模具工作零件的零件图,绘制垫片倒装复合模的零件图和装配图。
温馨提示:
1、题目前面的备注【字母数字编号】为本站整理分类的编号,与课题内容无关,请选题时忽视;
2、若题目上备注三维,则表示文件里包含三维源文件,由于三维组成零件数量较多,为保证预览截图的简洁性,本站将三维文件夹进行了打包。三维及CAD预览截图,均为本站电脑打开软件进行截图的,保证能够打开,下载原件超高清,下载后解压即可;
3、本站所有资源如无特殊说明,都需要本地电脑安装Office2007。图纸软件为AutoCAD,PROE,UG,SolidWorks,CATIA等;
4、本站所有图文资料仅供用户学习参考,不作为任何商用或其他用途;
5、本站不保证下载资源的准确性、安全性和完整性, 不包修改,不支持退换,同时也不承担用户因使用这些下载资源对自己和他人造成任何形式的伤害或损失;
6、 下载文件中如有侵权或不适当内容,请与我们联系,我们立即纠正。