

作品包括:
Word版说明书1份,共61页,约26000字
CAD版本图纸,共5张
摘 要
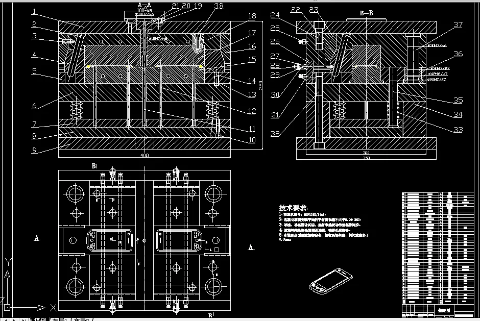
本文主要介绍了手机面框的注射模设计,其材料为ABS。根据ABS塑料的工艺特性和产品的使用要求,分析了手机面框的结构特点和成型工艺。通过应用软件对塑件进行模流分析的结果,可作为确定塑件的注射模结构以及工作过程的参考。采用pro/E软件进行3D分模,对模具进行了成型零部件、浇注系统、侧向抽芯机构、推出脱模机构及冷却系统的设计分析, 并生成了爆炸图。
关键词:手机面框,注射模设计,模流分析
目录
摘 要 I
Abstract II
第一章 绪论 1
1.1塑料模具技术的发展现状和趋势 1
1.2塑料制件的设计原则 2
1.3注射模设计要点 3
第二章 模具设计 4
2.1手机面板塑件成型工艺性分析 4
2.1.1塑件结构分析 4
2.1.2ABS塑料注射成型特性 4
2.2设备与模架的选用 6
2.2.1注塑机的确定 6
2.2.2注塑机参数的校核 8
2.3模具结构形式的拟定 10
2.3.1分型面位置的确定 10
2.3.2确定型腔数量及排列方式 11
2.3.3模具结构形式的确定 11
2.4浇注系统的设计 11
2.4.1主流道设计 11
2.4.2分流道设计 13
2.4.3浇口设计 14
2.4.4浇注系统的平衡 16
2.5成型零件的尺寸计算 17
2.5.1凹模的结构设计 17
2.5.2凸模的结构设计 20
2.6模架的选择 29
2.6.1各模板尺寸的确定: 29
2.6.2模架各尺寸的校核 29
2.7侧向抽芯与分型机构的设计 30
2.7.1斜导柱的设计 30
2.7.2滑块的设计 31
2.7.3滑槽的设计 32
2.7.4楔紧块的设计 32
2.7.5滑块定位装置的设计 32
2.8推出与复位机构的设计 32
2.8.1推出机构的设计 32
2.8.2复位机构的设计 34
2.9结构零部件的设计 35
2.9.1支承零部件的设计 35
2.9.2导柱导向机构的设计 36
2.10排气与冷却系统的设计 36
2.10.1排气系统的设计 36
2.10.2冷却系统的设计 37
第三章 模具的试模与修模 42
3.1注射机选定 42
3.2试模用注塑料 42
3.3试模工艺 42
3.4试模 42
3.5修模 43
致 谢 44
参 考 文 献 45
附件一 英文文献翻译 46
附件二 加工程序 54
温馨提示:
1、题目前面的备注【字母数字编号】为本站整理分类的编号,与课题内容无关,请选题时忽视;
2、若题目上备注三维,则表示文件里包含三维源文件,由于三维组成零件数量较多,为保证预览截图的简洁性,本站将三维文件夹进行了打包。三维及CAD预览截图,均为本站电脑打开软件进行截图的,保证能够打开,下载原件超高清,下载后解压即可;
3、本站所有资源如无特殊说明,都需要本地电脑安装Office2007。图纸软件为AutoCAD,PROE,UG,SolidWorks,CATIA等;
4、本站所有图文资料仅供用户学习参考,不作为任何商用或其他用途;
5、本站不保证下载资源的准确性、安全性和完整性, 不包修改,不支持退换,同时也不承担用户因使用这些下载资源对自己和他人造成任何形式的伤害或损失;
6、 下载文件中如有侵权或不适当内容,请与我们联系,我们立即纠正。