

作品包括:
Word版设计说明书1份
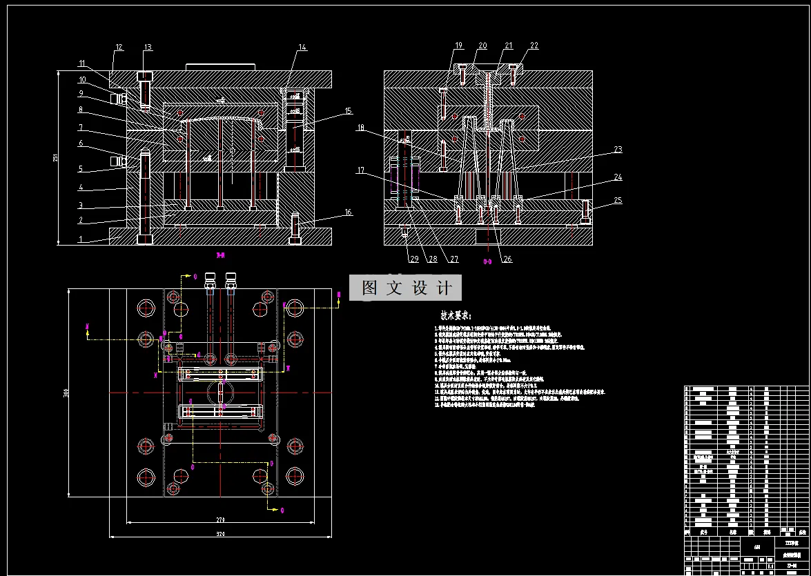
CAD版本图纸,共4张
UG三维塑件图1张
摘要
基于对塑件特征、成型工艺等多方面的考虑,决定采用一模2腔,侧浇口。单分型面的注塑模具,然后根据单次注射量和计算出来的型腔压力等参数选择注塑机,并对注塑机的各个参数进行校核。进而确定了模具的整体结构,并对模具的浇注系统、成型零件、侧向抽芯机构、推出和复位机构等作了设计
温馨提示:
1、题目前面的备注【字母数字编号】为本站整理分类的编号,与课题内容无关,请选题时忽视;
2、若题目上备注三维,则表示文件里包含三维源文件,由于三维组成零件数量较多,为保证预览截图的简洁性,本站将三维文件夹进行了打包。三维及CAD预览截图,均为本站电脑打开软件进行截图的,保证能够打开,下载原件超高清,下载后解压即可;
3、本站所有资源如无特殊说明,都需要本地电脑安装Office2007。图纸软件为AutoCAD,PROE,UG,SolidWorks,CATIA等;
4、本站所有图文资料仅供用户学习参考,不作为任何商用或其他用途;
5、本站不保证下载资源的准确性、安全性和完整性, 不包修改,不支持退换,同时也不承担用户因使用这些下载资源对自己和他人造成任何形式的伤害或损失;
6、 下载文件中如有侵权或不适当内容,请与我们联系,我们立即纠正。