

作品包括:
Word版设计说明书1份
CAD版本图纸,共9张
UG三维图一份
摘要
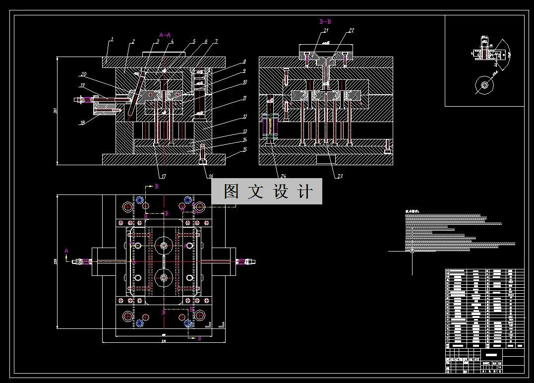
在本次模具毕业设计中首先我们绘制出了产品三维图,通过分析它的外部结构形状结构和尺寸大小以及精度来拟定合理的模具设计方案、再加上制品的产量和塑料原材料的工艺性能等因素,对分型面位置进行了选择并模具的型腔排列进行了布局,决定采用一模两腔的一字型排列方式较为合理,在浇口的选择上经过Moldflow分析设计认为侧浇口类型更好一些,在制品的脱模阶段我们采用推杆推出的形式来顺利推出。最后经过分析,认为此次的滑轮塑料模具设计还需要设计一套模具冷却系统,这样能够提高产品的成型质量。1129025
温馨提示:
1、题目前面的备注【字母数字编号】为本站整理分类的编号,与课题内容无关,请选题时忽视;
2、若题目上备注三维,则表示文件里包含三维源文件,由于三维组成零件数量较多,为保证预览截图的简洁性,本站将三维文件夹进行了打包。三维及CAD预览截图,均为本站电脑打开软件进行截图的,保证能够打开,下载原件超高清,下载后解压即可;
3、本站所有资源如无特殊说明,都需要本地电脑安装Office2007。图纸软件为AutoCAD,PROE,UG,SolidWorks,CATIA等;
4、本站所有图文资料仅供用户学习参考,不作为任何商用或其他用途;
5、本站不保证下载资源的准确性、安全性和完整性, 不包修改,不支持退换,同时也不承担用户因使用这些下载资源对自己和他人造成任何形式的伤害或损失;
6、 下载文件中如有侵权或不适当内容,请与我们联系,我们立即纠正。