

作品包括:
Word版设计说明书1份
CAD版本图纸,共5张
UG三维图一份
摘要
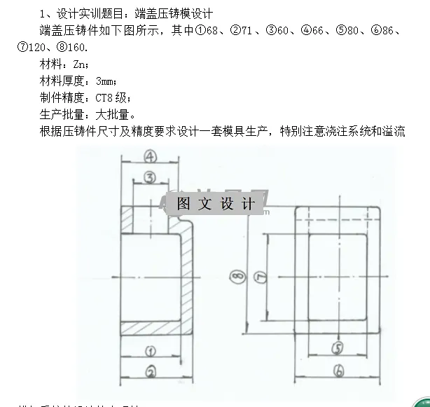
本次设计是端盖压铸模设计。端盖为长方体制件,考虑到安装座的精度产量等因素,采用一模两腔结构。由于端盖有侧凹,需设计测抽芯机构成型,采用中心浇口不易充满型腔,所以采用外侧浇口。模具采用镶拼式结构,便于型芯型腔磨损后的更换。利用导柱与导套的配合,使动模可以准确地合在定模上。采用推杆推出,并设置冷却水道以加速冷却模具。 采用UG建模实现端盖的三维建模、模具的设计及建模,建成三维模具后导出模具的装配图及零件图。
温馨提示:
1、题目前面的备注【字母数字编号】为本站整理分类的编号,与课题内容无关,请选题时忽视;
2、若题目上备注三维,则表示文件里包含三维源文件,由于三维组成零件数量较多,为保证预览截图的简洁性,本站将三维文件夹进行了打包。三维及CAD预览截图,均为本站电脑打开软件进行截图的,保证能够打开,下载原件超高清,下载后解压即可;
3、本站所有资源如无特殊说明,都需要本地电脑安装Office2007。图纸软件为AutoCAD,PROE,UG,SolidWorks,CATIA等;
4、本站所有图文资料仅供用户学习参考,不作为任何商用或其他用途;
5、本站不保证下载资源的准确性、安全性和完整性, 不包修改,不支持退换,同时也不承担用户因使用这些下载资源对自己和他人造成任何形式的伤害或损失;
6、 下载文件中如有侵权或不适当内容,请与我们联系,我们立即纠正。