

作品包括
Word设计说明书1份,共44页,约13000字
开题报告一份
中期报告一份
CAD版本图纸,共14张
UG三维图一份

摘 要
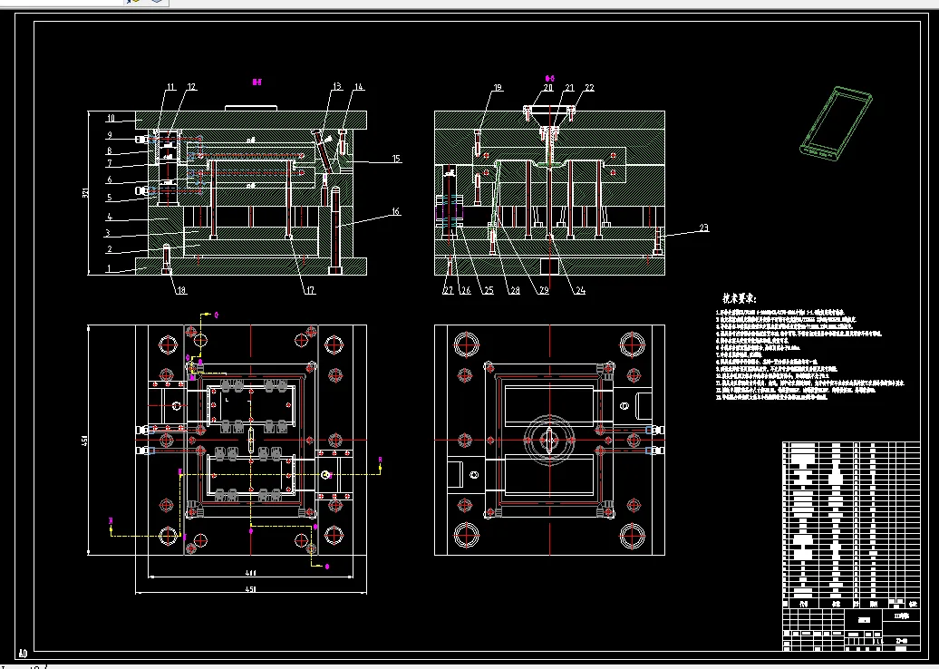
智能手机自从出现在人们的视野之后,随之不断普及,已经成为我们生活中必不可少的电子产品,为了应对手机电源焦虑问题,手机充电宝充电宝应运而生。本次毕业设计的内容就是进行充电宝壳体注塑成型模具的设计,通过课堂上所学的模具理论知识为充电宝壳体设计一副模具。本次设计模具方案型腔个数为一模两腔,进料通过侧浇口完成,注射所用设备为海天牌,确定型号为HTF86TJ,然后为注塑模具设计的浇注系统、脱模机构、侧向抽芯机构、温度调节系统、排气系统等。其中,浇注系统中包括有主流道、分流道、浇口等以及冷料穴等,脱模主要通过推杆推出充电宝壳体来实现,设计了斜导柱+滑块作为本次设计的侧向抽芯机构装置。成型零部件部分的设计选择了整体式型芯、型腔并做出了相应尺寸的计算、通过文字,图纸与相关计算来对模具结构进行设计与计算,这样设计出符合要求的模具。
关键词:充电宝壳体外壳;模具结构;注塑机;模具设计
目 录
1 绪论 1
1.1 引言 1
1.2模具的发展 1
1.3本设计研究的主要内容 1
1.4毕业设计的意义 2
2 塑料制品分析 3
2.1明确制品设计要求 3
2.2 明确制品批量 3
2.3 材料选择及性能 3
2.3.1材料选择 3
2.3.2材料品种 4
2.4成型设备 4
2.5 拔模斜度 5
2.6计算制品的体积和质量 5
2.6.1表面质量的分析 5
2.6.2充电宝外壳的体积重量 5
3 注射机及成型方案的确定 6
3.1注射机的确定 6
3.2成型方案的确定 6
3.2.1成型设备的选择 6
3.2.2成型的特点 6
3.2.3成型的原理 7
3.2.4成型过程 7
4 型腔数的确定及分型面的选择 8
4.1型腔数的确定 8
4.2 分型面的选择 8
4.2.1分型面的主要选择原则 8
4.3确定型腔的排列方式 9
4.4标准模架的选用 9
5 成型零部件的设计与计算 11
5.1型芯设计 11
5.2型腔的设计 11
5.3成型零件工作尺寸的计算 12
5.3.1模腔工作尺寸的计算 12
6 浇注系统的设计 15
6.1 主流道设计 15
6.2分主流道的设计 15
6.3 浇口的设计 16
6.4平衡进料 16
6.5冷料井设计 17
7 排气与冷却系统的设计 18
7.1冷却系统设计的原则 18
7.2冷却水路的计算 18
7.3 排气系统的设计 19
8 顶出与抽芯机构的设计 20
8.1顶机构 20
8.2推杆复位装置 20
8.3推杆横截面直径的确定 21
8.4推杆的形式 21
8.5 侧向分型与抽芯机构的工作原理 21
8.6抽芯距和抽芯力的计算 22
8.6.1 抽芯距S 22
8.6.2 抽芯力 23
8.7斜导柱侧向分型与抽芯机构 23
8.7.1 斜导柱 23
8.7.2 滑块的设计 23
8.7.3 锁紧块 24
9 导向机构的设计 25
9.1导向、定位机构的主要功能 25
9.2导向机构的设计 25
9.2.1导柱的设计 25
9.2.2导套的设计 25
10注射机与模具各参数的校核 26
10.1 注射机的分类 26
10.1.1注射机的分析 26
10.1.2注射机的选择 26
10.2 注塑机的基本结构与功能 26
10.3工艺参数的校核 26
10.4模具安装尺寸的校核 29
10.4.1 喷嘴的校核 29
10.4.2定位圈尺寸的校核 29
10.4.3 模具外形尺寸的校核 29
10.4.4模具厚度的校核 29
10.4.5安装参数的校核 29
10.5开模行程的校核 29
11模具经济环保分析 31
11.1模具的经济分析 31
11.1.1模具的生产技术 31
11.1.2模具的生产成本 31
11.2模具的环保分析 32
12 结论与展望 34
参考文献 35
致谢 36
温馨提示:
1、题目前面的备注【字母数字编号】为本站整理分类的编号,与课题内容无关,请选题时忽视;
2、若题目上备注三维,则表示文件里包含三维源文件,由于三维组成零件数量较多,为保证预览截图的简洁性,本站将三维文件夹进行了打包。三维及CAD预览截图,均为本站电脑打开软件进行截图的,保证能够打开,下载原件超高清,下载后解压即可;
3、本站所有资源如无特殊说明,都需要本地电脑安装Office2007。图纸软件为AutoCAD,PROE,UG,SolidWorks,CATIA等;
4、本站所有图文资料仅供用户学习参考,不作为任何商用或其他用途;
5、本站不保证下载资源的准确性、安全性和完整性, 不包修改,不支持退换,同时也不承担用户因使用这些下载资源对自己和他人造成任何形式的伤害或损失;
6、 下载文件中如有侵权或不适当内容,请与我们联系,我们立即纠正。