

作品包括:
Word版设计说明书1份
CAD版本图纸,共10张
UG三维图一份
摘要
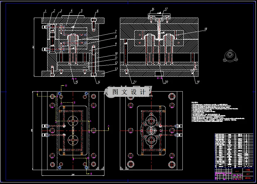
本文对电机外壳的外形结构做了大致介绍,电机外壳的用途决定了它需要采用什么材质生产。由于塑件体积较大,生产批量为中等批量,所以本次模具设计型腔数目定为一模两腔结构,从电机外壳外观考虑,浇口形式采用了侧浇口,对零件的其分型面的位置分析,浇注系统的分析,型芯和型腔的计算,推出机构,导向机构的分析,冷却系统的确定等等方面阐述。通过此次对电机外壳模具设计,对注塑模的未来发展和形的设计方法以及模具设计全过程有一个新的认识。
温馨提示:
1、题目前面的备注【字母数字编号】为本站整理分类的编号,与课题内容无关,请选题时忽视;
2、若题目上备注三维,则表示文件里包含三维源文件,由于三维组成零件数量较多,为保证预览截图的简洁性,本站将三维文件夹进行了打包。三维及CAD预览截图,均为本站电脑打开软件进行截图的,保证能够打开,下载原件超高清,下载后解压即可;
3、本站所有资源如无特殊说明,都需要本地电脑安装Office2007。图纸软件为AutoCAD,PROE,UG,SolidWorks,CATIA等;
4、本站所有图文资料仅供用户学习参考,不作为任何商用或其他用途;
5、本站不保证下载资源的准确性、安全性和完整性, 不包修改,不支持退换,同时也不承担用户因使用这些下载资源对自己和他人造成任何形式的伤害或损失;
6、 下载文件中如有侵权或不适当内容,请与我们联系,我们立即纠正。