

作品包括:
Word版设计说明书1份
开题报告一份
中期报告一份
CAD版本图纸,共11张
UG三维图一份
摘要
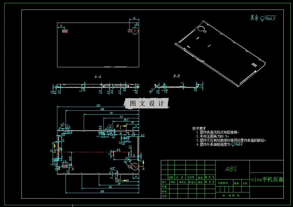
本设计是以“vivo手机后盖注塑模具设计”为主题。其设计思路由参考多个生产事例而得出,设计内容是从零件的工艺分析开始的,根据工艺要求来确定设计的大体思路。在设计当中,很多东西都是自己原来所没有接触过的,尤其是前段时间所学的理论课知识与现在的自己动手操作设计,设计顺序开始是从零件的材料选择,接下是成型参数、密度、收缩率的确定,模具种类与模具设计的关系、塑件的尺寸精度与结构、注射机的选择、模具设计有关尺寸的计算(包括模具型腔型芯的计算及其公差的确定)、注塑机参数的校核、模具结构设计、模具冷却、加热系统计算、注射模标准件的选用及总装技术要求等内容。 其次是模具的结构,在模具结构的设计当中,首先设计的是模具的型腔结构,接下来是型芯结构、斜导柱、滑块、导向机构、复位杆、拉料杆、推件杆和推出机构,这样做的目的是为了规范化,更重要的是为了以后与制造人员的配合。既让自己有了良好的设计习惯,又能锻炼自己的配合意识。为以后工作做一次演练,这样更能体现理论与实践相结合的目的。
温馨提示:
1、题目前面的备注【字母数字编号】为本站整理分类的编号,与课题内容无关,请选题时忽视;
2、若题目上备注三维,则表示文件里包含三维源文件,由于三维组成零件数量较多,为保证预览截图的简洁性,本站将三维文件夹进行了打包。三维及CAD预览截图,均为本站电脑打开软件进行截图的,保证能够打开,下载原件超高清,下载后解压即可;
3、本站所有资源如无特殊说明,都需要本地电脑安装Office2007。图纸软件为AutoCAD,PROE,UG,SolidWorks,CATIA等;
4、本站所有图文资料仅供用户学习参考,不作为任何商用或其他用途;
5、本站不保证下载资源的准确性、安全性和完整性, 不包修改,不支持退换,同时也不承担用户因使用这些下载资源对自己和他人造成任何形式的伤害或损失;
6、 下载文件中如有侵权或不适当内容,请与我们联系,我们立即纠正。