

作品包括:
Word版设计说明书1份
中期报告一份
CAD版本图纸,共9张
UG三维图一份
摘要
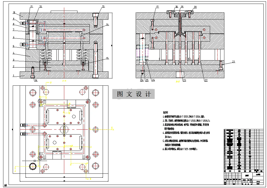
本次模具毕业设计课题是手机后盖注塑模设计,首先根据产品实物手机后盖的二维尺寸通过UG三维软件绘制3D建模图形,并根据三维图进行产品分析,分析可得手机后盖属于罩壳一类,分析其结构,塑件内部具有多处侧凹结构,分型面处于模具的最大分型面处,模具型腔数目采用一模两腔,模架选择龙记大水口模架,并使用UG注塑模向导依次设计浇注系统、顶出系统和冷却系统。塑件的浇口设计采用潜伏式浇口设计方法,顶出系统为顶杆顶出,本次设计多次运用了UG和AutoCAD这两个机械方面的软件,运用了UG绘制了手机后盖的3D图,并且中间利用三维软件所带的分析功能分析了产品的体积大小,然后用CAD软件完成了产品的二维图绘制,通过这次设计,使我熟练掌握了UG、CAD软件这方面的运用技能。1469460
温馨提示:
1、题目前面的备注【字母数字编号】为本站整理分类的编号,与课题内容无关,请选题时忽视;
2、若题目上备注三维,则表示文件里包含三维源文件,由于三维组成零件数量较多,为保证预览截图的简洁性,本站将三维文件夹进行了打包。三维及CAD预览截图,均为本站电脑打开软件进行截图的,保证能够打开,下载原件超高清,下载后解压即可;
3、本站所有资源如无特殊说明,都需要本地电脑安装Office2007。图纸软件为AutoCAD,PROE,UG,SolidWorks,CATIA等;
4、本站所有图文资料仅供用户学习参考,不作为任何商用或其他用途;
5、本站不保证下载资源的准确性、安全性和完整性, 不包修改,不支持退换,同时也不承担用户因使用这些下载资源对自己和他人造成任何形式的伤害或损失;
6、 下载文件中如有侵权或不适当内容,请与我们联系,我们立即纠正。