

作品包括:
Word版设计说明书1份
开题报告一份
CAD版本图纸,共10张
三维塑件图1张
摘要
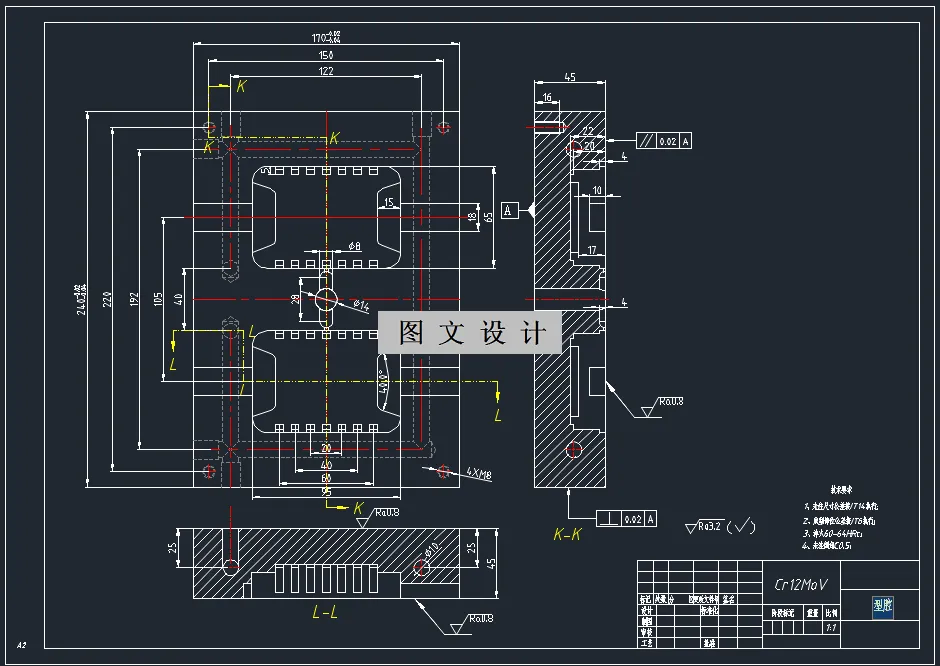
本文研究的是某盒盖的注塑成型模具设计。在本次模具毕业设计中首先绘制出某盒盖三维图并导出了产品零件图,通过分析它结构复杂以及精度来设计合理的模具方案,接着对产品的塑料原材料进行了选择并做出分析,初选了注塑机型号为HTF86。型腔数目决定采用一模两腔结构,型腔排布采用一字型排列方式,本次设计分型面位置进在了产品底面处,由于产品表面要求不高,所以选择了侧浇口类型,注塑机选用HTF86注塑机,所选模架型号为CI型框架。本次设计的脱模机构选择了推杆推出方式。然后为本次塑料模具设计设计一套模具冷却系统。最后对注塑机主要参数进行了校核。最后根据以上所设计的内容,通过所掌握的二维和三维软件完成了模具装配图、模具三维装配体以及模具零件图绘制。
温馨提示:
1、题目前面的备注【字母数字编号】为本站整理分类的编号,与课题内容无关,请选题时忽视;
2、若题目上备注三维,则表示文件里包含三维源文件,由于三维组成零件数量较多,为保证预览截图的简洁性,本站将三维文件夹进行了打包。三维及CAD预览截图,均为本站电脑打开软件进行截图的,保证能够打开,下载原件超高清,下载后解压即可;
3、本站所有资源如无特殊说明,都需要本地电脑安装Office2007。图纸软件为AutoCAD,PROE,UG,SolidWorks,CATIA等;
4、本站所有图文资料仅供用户学习参考,不作为任何商用或其他用途;
5、本站不保证下载资源的准确性、安全性和完整性, 不包修改,不支持退换,同时也不承担用户因使用这些下载资源对自己和他人造成任何形式的伤害或损失;
6、 下载文件中如有侵权或不适当内容,请与我们联系,我们立即纠正。