

作品包括:
Word版设计说明书1份
CAD版本图纸,共4张
摘要
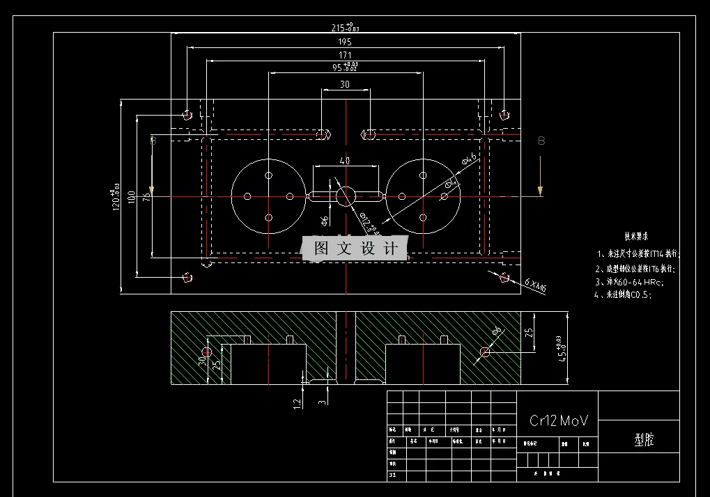
本次设计对工艺等多方面的研究,决定采用一模两腔单分型面的注塑模具设计,然后根据单次注射量和计算出来的型腔压力等参数来选择适合的注塑机,并且对注塑机的各个参数进行校核。进而决定了整个模具的结构,而且还通过对模具设计的浇注系统、脱模机构、推出和复位等机构做出了全面地设计和计算。最终确定出的注塑模可以用来满足成型要求。1324009
温馨提示:
1、题目前面的备注【字母数字编号】为本站整理分类的编号,与课题内容无关,请选题时忽视;
2、若题目上备注三维,则表示文件里包含三维源文件,由于三维组成零件数量较多,为保证预览截图的简洁性,本站将三维文件夹进行了打包。三维及CAD预览截图,均为本站电脑打开软件进行截图的,保证能够打开,下载原件超高清,下载后解压即可;
3、本站所有资源如无特殊说明,都需要本地电脑安装Office2007。图纸软件为AutoCAD,PROE,UG,SolidWorks,CATIA等;
4、本站所有图文资料仅供用户学习参考,不作为任何商用或其他用途;
5、本站不保证下载资源的准确性、安全性和完整性, 不包修改,不支持退换,同时也不承担用户因使用这些下载资源对自己和他人造成任何形式的伤害或损失;
6、 下载文件中如有侵权或不适当内容,请与我们联系,我们立即纠正。