

作品包括:
Word版设计说明书1份
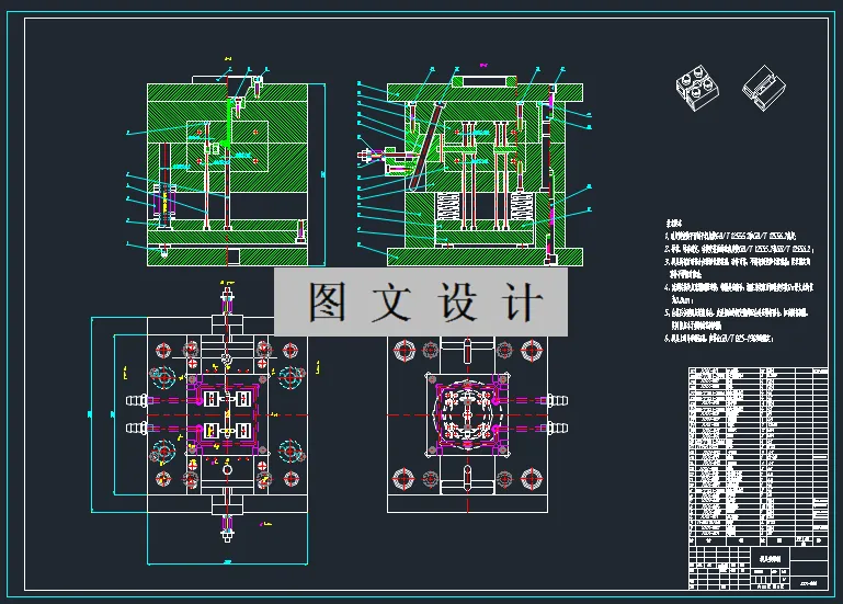
CAD版本图纸,共9张
UG三维图一份
摘要
接线端子就是配电柜中大量用到的电气连接件,第2章完成结构分析及其H2519接线端子的选材,决定采用一模4腔,侧浇口,大水口两板模具。在开始进行模具结构设计之前运用三维绘图软件和AUTOCAD二维绘图软件对H2519接线端子三维立体图及产品零件图进行绘制,从H2519接线端子产品的成型结构特征开始、到对分型面分析及位置的选择、模具浇注系统设计、型芯型腔结构设计和尺寸计算,脱模推出机构、冷却系统、导向机构的设计等多方面详细叙述了H2519接线端子注射模大致设计过程。与此同时合理地选用了注塑机型号,而且对注塑机压力,锁模力及顶出力等工艺参数进行详细校核,进而保证了设计的合理性及正规性。如此设计出的注射模结构才能确保模具工作运行可靠。
温馨提示:
1、题目前面的备注【字母数字编号】为本站整理分类的编号,与课题内容无关,请选题时忽视;
2、若题目上备注三维,则表示文件里包含三维源文件,由于三维组成零件数量较多,为保证预览截图的简洁性,本站将三维文件夹进行了打包。三维及CAD预览截图,均为本站电脑打开软件进行截图的,保证能够打开,下载原件超高清,下载后解压即可;
3、本站所有资源如无特殊说明,都需要本地电脑安装Office2007。图纸软件为AutoCAD,PROE,UG,SolidWorks,CATIA等;
4、本站所有图文资料仅供用户学习参考,不作为任何商用或其他用途;
5、本站不保证下载资源的准确性、安全性和完整性, 不包修改,不支持退换,同时也不承担用户因使用这些下载资源对自己和他人造成任何形式的伤害或损失;
6、 下载文件中如有侵权或不适当内容,请与我们联系,我们立即纠正。