

作品包括:
Word版设计说明书1份
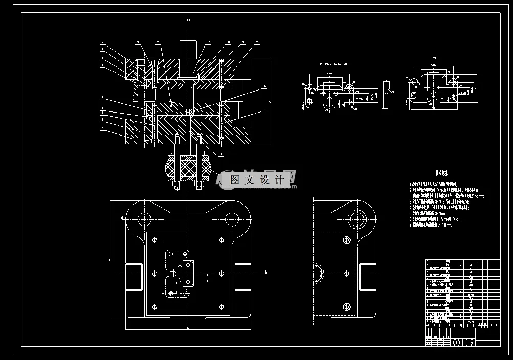
CAD版本图纸,共19张
摘要
本次设计首先分析合页产品的工艺性能,按照拿到的毕业设计工件图,从加工的角度对于工件进行工艺分析,基于对尺寸的大小,所用精度的高低,原材料的选择方面的分析结果。然后列出冲裁方案,确定本次零件加工的最佳方案是通过落料冲孔弯曲工序,使用落料冲孔复合模具和弯曲模完成产品的冲压加工。尽可能做到所生产的工件用比较简单的模具,比较少的工序,生产费用适中,加工效率较高的情况下,获得保质保量的零件。进行相关工件的冲裁工艺计算和压力机的选择,然后对一些主要的零件进行计算与设计,组后完成整个装配图和零件图的绘制,并将这些过程写成说明书。1272920
温馨提示:
1、题目前面的备注【字母数字编号】为本站整理分类的编号,与课题内容无关,请选题时忽视;
2、若题目上备注三维,则表示文件里包含三维源文件,由于三维组成零件数量较多,为保证预览截图的简洁性,本站将三维文件夹进行了打包。三维及CAD预览截图,均为本站电脑打开软件进行截图的,保证能够打开,下载原件超高清,下载后解压即可;
3、本站所有资源如无特殊说明,都需要本地电脑安装Office2007。图纸软件为AutoCAD,PROE,UG,SolidWorks,CATIA等;
4、本站所有图文资料仅供用户学习参考,不作为任何商用或其他用途;
5、本站不保证下载资源的准确性、安全性和完整性, 不包修改,不支持退换,同时也不承担用户因使用这些下载资源对自己和他人造成任何形式的伤害或损失;
6、 下载文件中如有侵权或不适当内容,请与我们联系,我们立即纠正。