

作品包括:
Word版设计说明书1份
CAD版本图纸,共12张
UG三维图一份
摘要
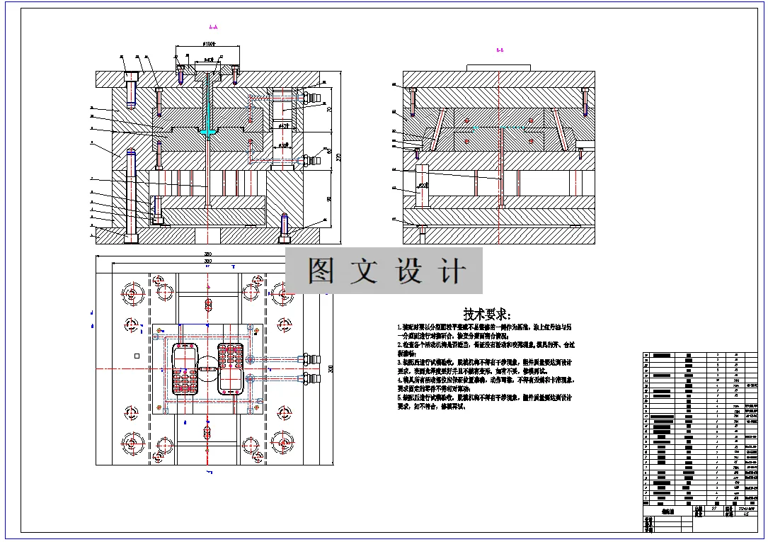
伴随着人们进入现代化智能生活,科学技术稳健的飞速发展,带动工业生产的进步,最终带给人类的是生活质量水平的提高,从而所追求的生活水平也慢慢的向高端水平靠近。这样就需要满足人们对生活水平的要求,塑料制品便应运而生。通过计算机软件设计出满足人们需求的理论层次的塑料制品。 本课题设计了一副生产塑料三星手机壳的注塑模具,先对塑件整体初步的结构分析,根据塑件的结构确定一次成型的腔数,最佳成型的浇口位置,完成初步的浇注系统设计,选取适当的位置设置推出机构,完善冷却装置,对所选的注塑机进行多种校核,最终确保模具设计的可靠性以及安全性。 1271948
温馨提示:
1、题目前面的备注【字母数字编号】为本站整理分类的编号,与课题内容无关,请选题时忽视;
2、若题目上备注三维,则表示文件里包含三维源文件,由于三维组成零件数量较多,为保证预览截图的简洁性,本站将三维文件夹进行了打包。三维及CAD预览截图,均为本站电脑打开软件进行截图的,保证能够打开,下载原件超高清,下载后解压即可;
3、本站所有资源如无特殊说明,都需要本地电脑安装Office2007。图纸软件为AutoCAD,PROE,UG,SolidWorks,CATIA等;
4、本站所有图文资料仅供用户学习参考,不作为任何商用或其他用途;
5、本站不保证下载资源的准确性、安全性和完整性, 不包修改,不支持退换,同时也不承担用户因使用这些下载资源对自己和他人造成任何形式的伤害或损失;
6、 下载文件中如有侵权或不适当内容,请与我们联系,我们立即纠正。