

作品包括:
Word版设计说明书1份
开题报告一份
CAD版本图纸,共8张
UG三维图一份
摘要
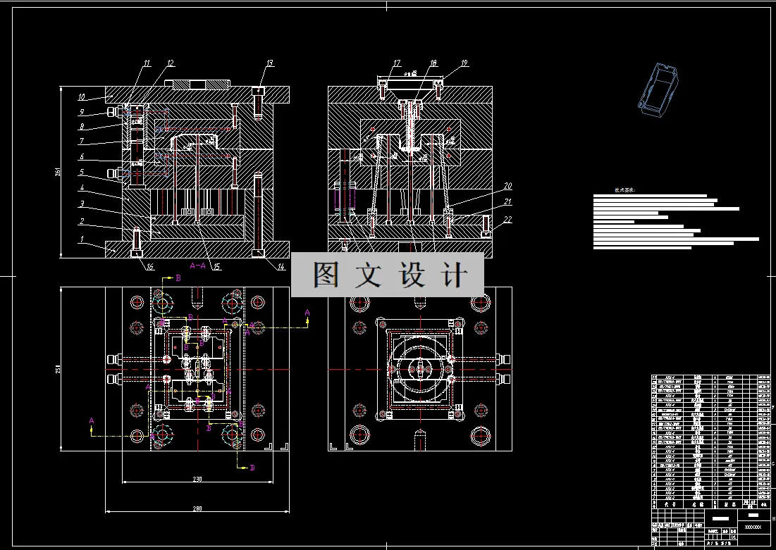
本课题的研究对象是生产消毒柜仪表后盖塑料模具,然后对此消毒柜仪表后盖的外观特点和结构特点进行分析,确定好材料和模具设计方案,并且选择了合适的型腔数目为一模两腔结构,在根据其塑件的体积,初步选择注塑机,确定其型号为XY-XZ-125,分型面的选择和塑件的外形特点有联系,根据塑件的外形结构特征,为模具设计选择了产品底面位置为分型面,同时观察塑件外表面质量,选择了侧浇口浇注形式的结构,接着对模具的冷却系统和脱模系统等进行设计分析,确定了环绕式冷却和推杆的顶出方式,最后根据已知结构零件尺寸确定好了模架,然后针对设计出来的模具与注塑机进行相关参数校核,比如注塑机自身基本参数校核,对最大注射量和最大锁模力等校核,还有模具的安装尺寸是否匹配等等。
温馨提示:
1、题目前面的备注【字母数字编号】为本站整理分类的编号,与课题内容无关,请选题时忽视;
2、若题目上备注三维,则表示文件里包含三维源文件,由于三维组成零件数量较多,为保证预览截图的简洁性,本站将三维文件夹进行了打包。三维及CAD预览截图,均为本站电脑打开软件进行截图的,保证能够打开,下载原件超高清,下载后解压即可;
3、本站所有资源如无特殊说明,都需要本地电脑安装Office2007。图纸软件为AutoCAD,PROE,UG,SolidWorks,CATIA等;
4、本站所有图文资料仅供用户学习参考,不作为任何商用或其他用途;
5、本站不保证下载资源的准确性、安全性和完整性, 不包修改,不支持退换,同时也不承担用户因使用这些下载资源对自己和他人造成任何形式的伤害或损失;
6、 下载文件中如有侵权或不适当内容,请与我们联系,我们立即纠正。