

作品包括:
Word版说明书1份,共43页,约12000字
CAD版本图纸,共21张

摘要
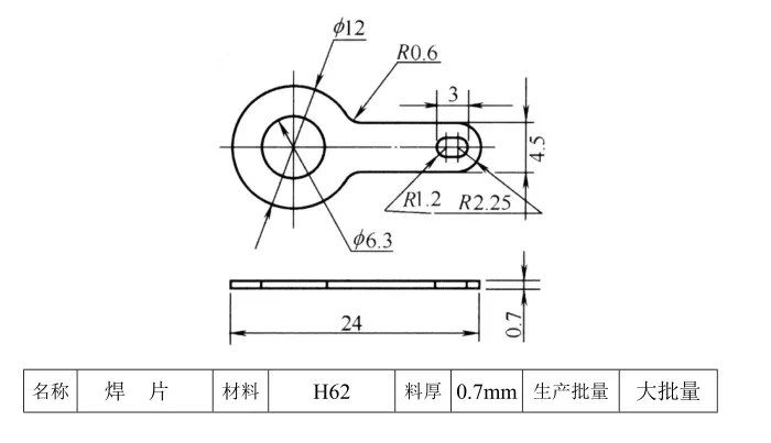
金属板料冲压是一种在工业生产中应用广泛的加工方法。随着现代各行各业突飞猛进的发展,金属件的结构复杂,精度高,需求量多,加上对生产的安全性、操作的方便性,加工的经济性等要求也日益提高,采用单工位模具已经无法满足生产的需要,许多制造商均采用多工位级进模进行生产。因此,多工位级进模在国内外模具制造业中应用日趋广泛。多工位级进模是在普通级进模的基础上发展起来的一种模具,是当代所有模具中冲压功能最多、结构最复杂、生产效率和自动化程度最高的一种冲模。在多工位级进模结构设计过程中,首先必须设计级进模的总装结构,然后再在此基础上进行模具其他零部件的设计。本模具采用切废料方式进行冲裁,故模具结构采用冲孔、导正、弯曲、落料的工序设计,排样采用单排横排排列。本论文分析了阳极焊片的冲压工艺性,介绍了阳极焊片多工位级进模总体结构设计,对工件进行了展开计算,确定了工件加工成型的工艺方案和排样方案,对模具进行了工艺计算,根据计算结果进行了凸模、凹模、垫板、导料板、卸料板、镶块等主要零部件的设计,还根据各标准对模具中用到的其他标准件,如模架、导柱导套等,进行了选择与设计。实践证明:该模具结构合理、可靠,并能保证产品质量,对此类零件的级进模设计有参考价值。
关键词:阳极焊片;冲压工艺;排样;连续模
目 录
摘 要 3
引 言 6
第1章、制件的工艺分析 9
第二章、制件的排样 12
2.1.目标值的选取 12
2.2.制件成形工艺的设计和工位确定 12
2.3.制件的排样 13
2.3.1.制件的排样方法 14
2.3.2.制件件的排样原则 14
2.3.3.搭边值的确定 14
2.3.4.排样的步骤 14
2.4.材料利用率的计算 16
第三章、力的计算和冲裁间隙的确定 17
3.1.冲压力的计算 17
3.1.1.冲裁力的计算 17
3.1.2.压凸包的压力计算 18
3.1.3.刺孔力计算 18
3.1.4.卸料力、推料力的计算 18
3.1.5.压力机公称压力的选取 19
3.2.冲裁间隙的确定 19
3.2.1.落料,冲孔刃口尺寸计算 20
3.2.2.压包部分刃口设计计算 23
3.2.3.刺孔部分刃口设计计算 24
第四章、模具总体结构和主要零件的设计 26
4.1.模具总体结构的确定 26
4.2.冲裁外形凸模和凹模的设计 28
4.2.1.外形凸模设计 28
4.2.2.凹模的设计 29
4.2.3.凸模的设计 31
4.3.带料定位模具的设计 32
4.3.1.定位的设计 32
4.3.2.定位销的设计 32
4.4.模板、模座设计 33
4.4.1.模板、模座厚度的确定 33
4.5.导向部分的设计 33
4.6.紧固螺钉和定位部分的设计 34
第五章、确定模具的压力中心 35
第六章、模具的装配 39
结束语 41
参考资料42
温馨提示:
1、题目前面的备注【字母数字编号】为本站整理分类的编号,与课题内容无关,请选题时忽视;
2、若题目上备注三维,则表示文件里包含三维源文件,由于三维组成零件数量较多,为保证预览截图的简洁性,本站将三维文件夹进行了打包。三维及CAD预览截图,均为本站电脑打开软件进行截图的,保证能够打开,下载原件超高清,下载后解压即可;
3、本站所有资源如无特殊说明,都需要本地电脑安装Office2007。图纸软件为AutoCAD,PROE,UG,SolidWorks,CATIA等;
4、本站所有图文资料仅供用户学习参考,不作为任何商用或其他用途;
5、本站不保证下载资源的准确性、安全性和完整性, 不包修改,不支持退换,同时也不承担用户因使用这些下载资源对自己和他人造成任何形式的伤害或损失;
6、 下载文件中如有侵权或不适当内容,请与我们联系,我们立即纠正。