

作品包括:
Word版设计说明书1份
CAD版本图纸,共11张
UG三维图一份
摘要
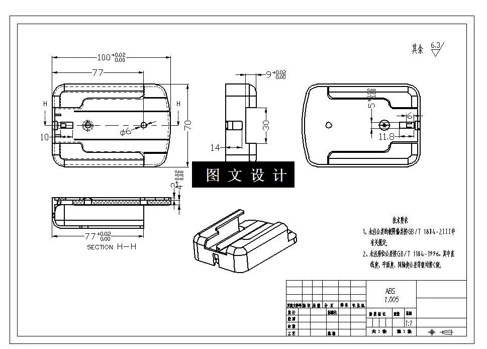
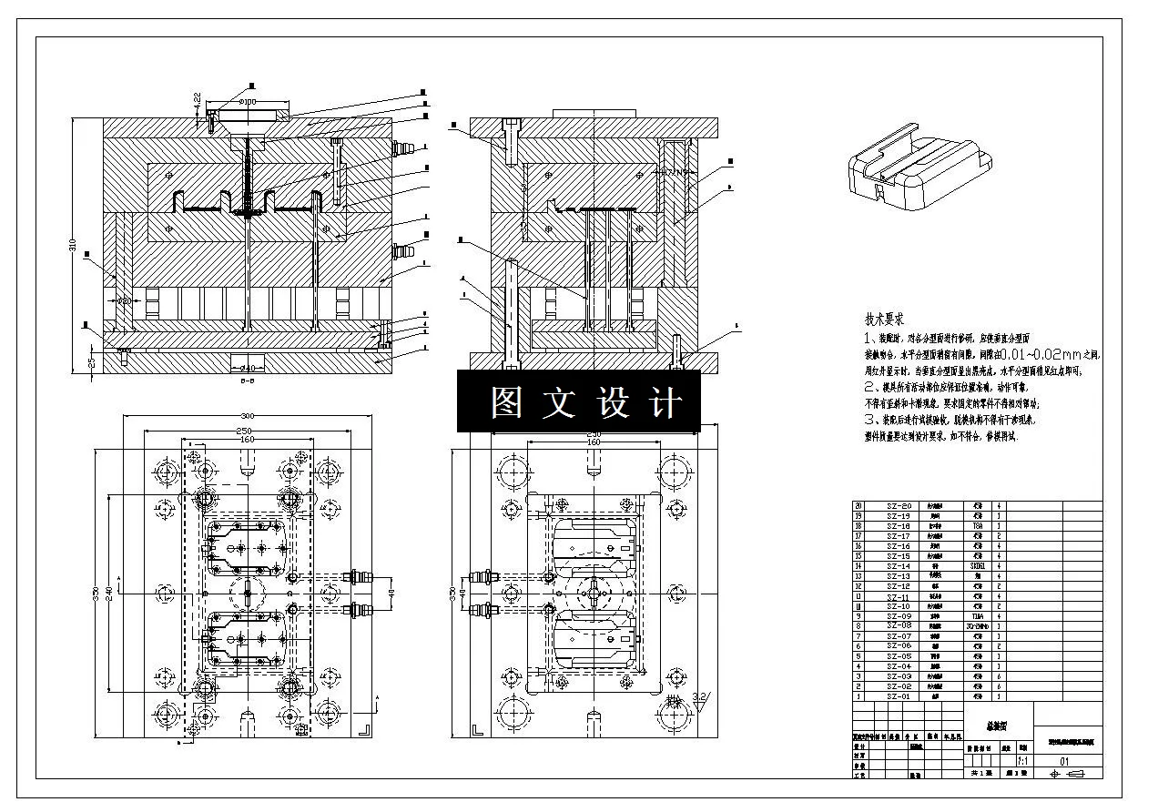
遥控器座注塑模具设计 提供三维(三维有UG8.5格式+STP通用格式)+二维装配图及主要零件图 本文主要介绍了遥控器座的注射模具设计过程,通过对塑件进行工艺分析,确定了所采用塑料的工艺参数和所采用的成型设备,在本设计中,采用ABS塑料注射成型,成型方式为一模两腔,采用卧室注塑机为成型设备。根据注射模具的相关知识,利用UG软件对塑件进行了实体造型,选择合适的分型面进行三维分模,合理地设计成型零件。由于塑件有侧孔,从具体模具结构出发,对模具的浇注系统、成型部分的结构、脱模机构设计、冷却系统、注射机的选择以及校核,都有详细的设计说明,如此设计出的结构可确保模具在正常工作运行的前提下,保证了模具的工作寿命。
温馨提示:
1、题目前面的备注【字母数字编号】为本站整理分类的编号,与课题内容无关,请选题时忽视;
2、若题目上备注三维,则表示文件里包含三维源文件,由于三维组成零件数量较多,为保证预览截图的简洁性,本站将三维文件夹进行了打包。三维及CAD预览截图,均为本站电脑打开软件进行截图的,保证能够打开,下载原件超高清,下载后解压即可;
3、本站所有资源如无特殊说明,都需要本地电脑安装Office2007。图纸软件为AutoCAD,PROE,UG,SolidWorks,CATIA等;
4、本站所有图文资料仅供用户学习参考,不作为任何商用或其他用途;
5、本站不保证下载资源的准确性、安全性和完整性, 不包修改,不支持退换,同时也不承担用户因使用这些下载资源对自己和他人造成任何形式的伤害或损失;
6、 下载文件中如有侵权或不适当内容,请与我们联系,我们立即纠正。