

作品包括:
Word设计说明书1份
CAD版本图纸,共10张
UG三维图一份
摘要
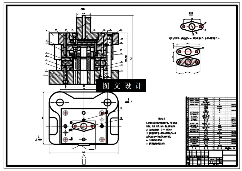
本次设计为垫片的冲压模具设计,设计了一套冲孔、落料的复合模具。经查阅资料,首先要对零件进行工艺分析,经过工艺分析和对比采用冲孔落料工序,通过冲裁力、推料力、卸料力等计算,确定压力机的型号。再分析对冲压件加工的模具适用类型选择所需设计的模具。得出设计的模具类型后将模具的各个工作部件设计过程表达出来。本模具性能可靠,运行平稳,提高了产品质量和生产效率,降低劳动强度和生产成本。
温馨提示:
1、题目前面的备注【字母数字编号】为本站整理分类的编号,与课题内容无关,请选题时忽视;
2、若题目上备注三维,则表示文件里包含三维源文件,由于三维组成零件数量较多,为保证预览截图的简洁性,本站将三维文件夹进行了打包。三维及CAD预览截图,均为本站电脑打开软件进行截图的,保证能够打开,下载原件超高清,下载后解压即可;
3、本站所有资源如无特殊说明,都需要本地电脑安装Office2007。图纸软件为AutoCAD,PROE,UG,SolidWorks,CATIA等;
4、本站所有图文资料仅供用户学习参考,不作为任何商用或其他用途;
5、本站不保证下载资源的准确性、安全性和完整性, 不包修改,不支持退换,同时也不承担用户因使用这些下载资源对自己和他人造成任何形式的伤害或损失;
6、 下载文件中如有侵权或不适当内容,请与我们联系,我们立即纠正。