

作品包括:
Word设计说明书1份
CAD版本图纸,共4张
UG三维图一份
摘要
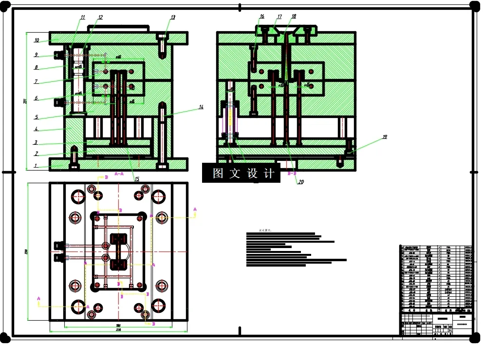
模具安装在注射机上,合模后,注射机通过喷嘴将熔料经流通注入型腔,经保压,冷却后塑件成型。开模时左右滑块随着这斜导柱往两侧分开,同时随着动模板一起运动,凝料脱出,塑件整体暴露出来,但塑件内部仍与型芯相连。在注塑机顶杆的作用下,顶杆通过推板将塑件和凝料系统顶出。合模时,随着复位弹簧推板复位,左右滑块随着斜导柱与导滑槽闭合,滑块的顶面与定模板接触闭合,此时模具完全闭合,等待下一次的动作。
温馨提示:
1、题目前面的备注【字母数字编号】为本站整理分类的编号,与课题内容无关,请选题时忽视;
2、若题目上备注三维,则表示文件里包含三维源文件,由于三维组成零件数量较多,为保证预览截图的简洁性,本站将三维文件夹进行了打包。三维及CAD预览截图,均为本站电脑打开软件进行截图的,保证能够打开,下载原件超高清,下载后解压即可;
3、本站所有资源如无特殊说明,都需要本地电脑安装Office2007。图纸软件为AutoCAD,PROE,UG,SolidWorks,CATIA等;
4、本站所有图文资料仅供用户学习参考,不作为任何商用或其他用途;
5、本站不保证下载资源的准确性、安全性和完整性, 不包修改,不支持退换,同时也不承担用户因使用这些下载资源对自己和他人造成任何形式的伤害或损失;
6、 下载文件中如有侵权或不适当内容,请与我们联系,我们立即纠正。