

作品包括:
Word设计说明书1份
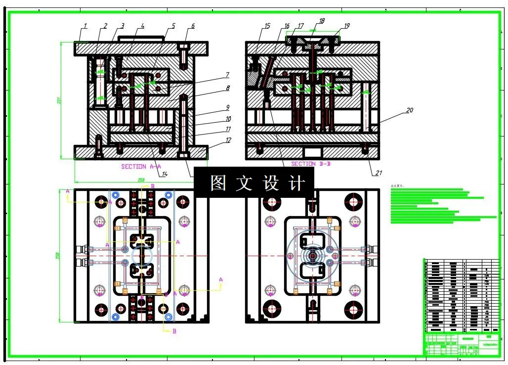
CAD版本图纸,共10张
UG三维图一份
摘要
本次设计主要对壳类注射模的设计,提出了模具设计的关键点,设计了模具的整体结构。根据塑件分型面的位置,设计了推杆推出结构,零件采用了单分型面的侧浇口,提高了注射的质量,以及自动化程度,提高生产质量。通过对塑件进行工艺的分析及其结构分析,从产品结构工艺性,具体模具结构出发,对模具的浇注系统、模具成型部分的结构、顶出系统、注射机的选择及有关参数的校核都有详细的设计。该模具一模两腔经过生产验证,该模具结构合理,动作可靠。
温馨提示:
1、题目前面的备注【字母数字编号】为本站整理分类的编号,与课题内容无关,请选题时忽视;
2、若题目上备注三维,则表示文件里包含三维源文件,由于三维组成零件数量较多,为保证预览截图的简洁性,本站将三维文件夹进行了打包。三维及CAD预览截图,均为本站电脑打开软件进行截图的,保证能够打开,下载原件超高清,下载后解压即可;
3、本站所有资源如无特殊说明,都需要本地电脑安装Office2007。图纸软件为AutoCAD,PROE,UG,SolidWorks,CATIA等;
4、本站所有图文资料仅供用户学习参考,不作为任何商用或其他用途;
5、本站不保证下载资源的准确性、安全性和完整性, 不包修改,不支持退换,同时也不承担用户因使用这些下载资源对自己和他人造成任何形式的伤害或损失;
6、 下载文件中如有侵权或不适当内容,请与我们联系,我们立即纠正。