

作品包括:
Word设计说明书1份
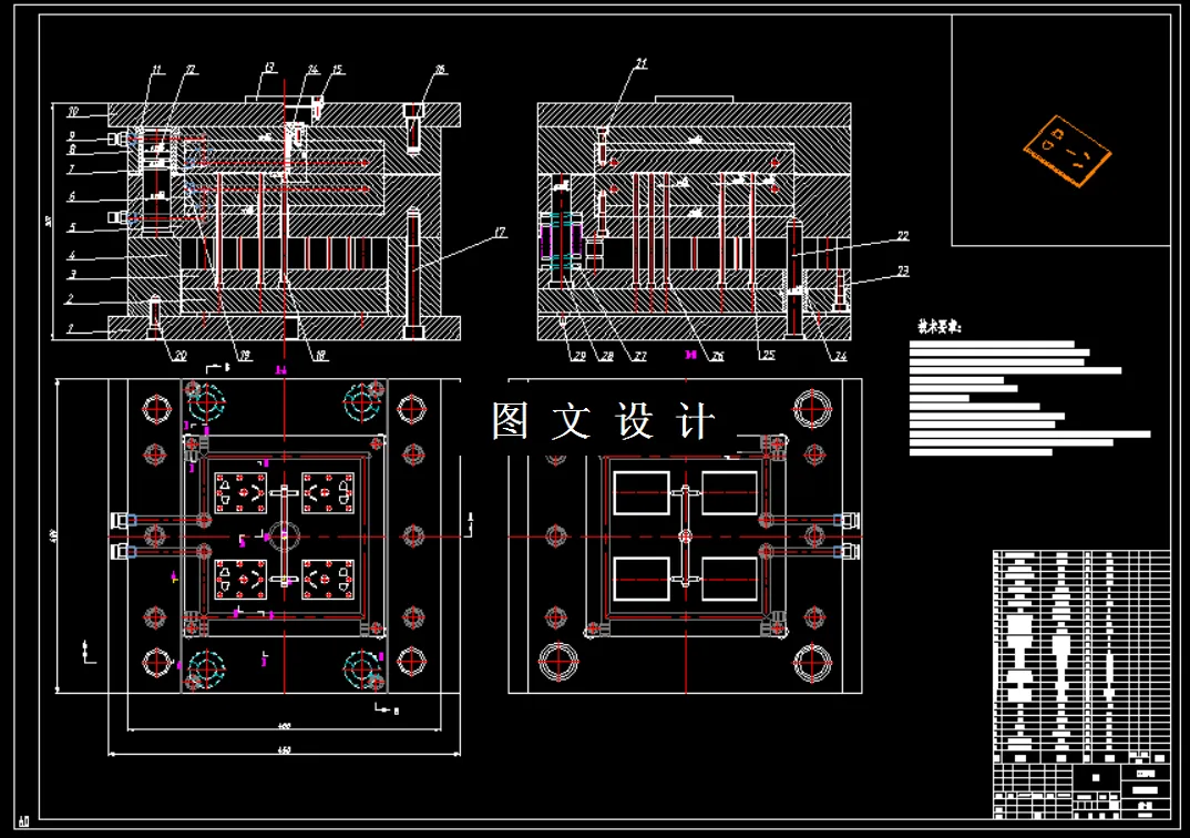
CAD版本图纸,共10张
UG三维图一份
摘要
在塑料的广泛应用以及塑胶产业的迅速发展背景下,使得塑料注射模具日益成为全球制造业的焦点,本课题围绕五孔插片的注射模具结构设计展开研究,着重研究和设计成型五孔插片模具的各机构方案,从理论上对五孔插片的塑料成型工艺进行了深入的研究和设计。考虑到其工作要求,要有良好耐磨性和硬度,和对比各种塑料。选定ABS为五孔插片的材料。通过计算锁模力以及单次注射量的大小选定与之最为合适的注塑机型号为海天HTF120TJ型注塑机。随后展开塑料模具主要结构的设计主要包括浇注系统、脱模机构、合模导向机构以及模具温度控制系统等。然后选择了合适的成型零件结构,此次设计采用整体嵌入式型芯、型腔。并对主要成型尺寸进行了计算。最后,对注塑机主要参数进行校核。所选的注塑机型号能够满足生产要求。
温馨提示:
1、题目前面的备注【字母数字编号】为本站整理分类的编号,与课题内容无关,请选题时忽视;
2、若题目上备注三维,则表示文件里包含三维源文件,由于三维组成零件数量较多,为保证预览截图的简洁性,本站将三维文件夹进行了打包。三维及CAD预览截图,均为本站电脑打开软件进行截图的,保证能够打开,下载原件超高清,下载后解压即可;
3、本站所有资源如无特殊说明,都需要本地电脑安装Office2007。图纸软件为AutoCAD,PROE,UG,SolidWorks,CATIA等;
4、本站所有图文资料仅供用户学习参考,不作为任何商用或其他用途;
5、本站不保证下载资源的准确性、安全性和完整性, 不包修改,不支持退换,同时也不承担用户因使用这些下载资源对自己和他人造成任何形式的伤害或损失;
6、 下载文件中如有侵权或不适当内容,请与我们联系,我们立即纠正。