

作品包括:
Word设计说明书1份
CAD版本图纸,共10张
UG三维图一份
摘要
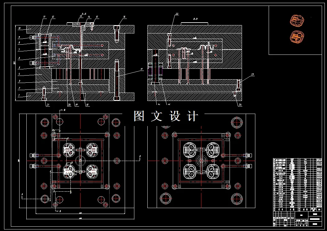
塑料属于工程实际中非常重要的一类材料,在整个工业领域中,这一门类发展最为迅速。注塑模具的发展,对整个国家的发展有着非常重要的作用,是国家重点的发展分支,能够衡量国家的发展水平,模具行业必将是未来重点发展。 本文重点讨论和研究了蓝牙耳机内盒的注塑模具设计,蓝牙耳机内盒是一种常见的日常儿童玩具,本文主要对成型蓝牙耳机内盒模具方案各个机构方案进行了详细的研究与设计,首先分析了蓝牙耳机内盒工艺结构,综合材料所需性能并对ABS材料选择,然后选取了分型面的位置并确定型腔数目设计了H型排布方式,对模具的浇注系统、脱模机构、模具冷却以及排气系统都做了相应的设计。本次模具设计所选注塑机型号为海天HTF120J/TJ,对注塑机主要参数进行了校核。由于此次模具采用了侧浇口的浇口类型,所以为模具选择CI龙记大水口两板标准模架。
温馨提示:
1、题目前面的备注【字母数字编号】为本站整理分类的编号,与课题内容无关,请选题时忽视;
2、若题目上备注三维,则表示文件里包含三维源文件,由于三维组成零件数量较多,为保证预览截图的简洁性,本站将三维文件夹进行了打包。三维及CAD预览截图,均为本站电脑打开软件进行截图的,保证能够打开,下载原件超高清,下载后解压即可;
3、本站所有资源如无特殊说明,都需要本地电脑安装Office2007。图纸软件为AutoCAD,PROE,UG,SolidWorks,CATIA等;
4、本站所有图文资料仅供用户学习参考,不作为任何商用或其他用途;
5、本站不保证下载资源的准确性、安全性和完整性, 不包修改,不支持退换,同时也不承担用户因使用这些下载资源对自己和他人造成任何形式的伤害或损失;
6、 下载文件中如有侵权或不适当内容,请与我们联系,我们立即纠正。