

作品包括:
Word设计说明书1份
CAD版本图纸,共13张
UG三维图一套
摘要
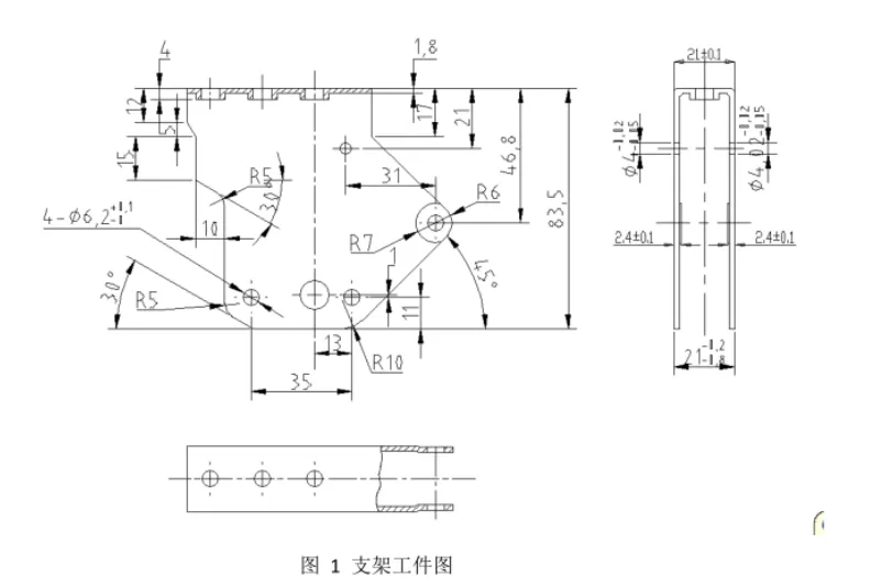
本文通过对SX-p11电饭锅排气口环塑件模具设计,通过认识和了解塑料模具设计一些设计原则和方法.并且可以通过三维和二维软件进行塑料模具设计,提高自己的绘图能力。为今后从事设计工作打下了坚实的基础。本次主要重点对塑件的成型原理、原料选用和注射技术进行分析。通过根据形状、尺寸、精度及表面质量要求的分析结果,确定所需的模塑成型方案,制品的后加工、分型面的选择、型腔的数目和排列、成型零件的结构、浇注系统等。
温馨提示:
1、题目前面的备注【字母数字编号】为本站整理分类的编号,与课题内容无关,请选题时忽视;
2、若题目上备注三维,则表示文件里包含三维源文件,由于三维组成零件数量较多,为保证预览截图的简洁性,本站将三维文件夹进行了打包。三维及CAD预览截图,均为本站电脑打开软件进行截图的,保证能够打开,下载原件超高清,下载后解压即可;
3、本站所有资源如无特殊说明,都需要本地电脑安装Office2007。图纸软件为AutoCAD,PROE,UG,SolidWorks,CATIA等;
4、本站所有图文资料仅供用户学习参考,不作为任何商用或其他用途;
5、本站不保证下载资源的准确性、安全性和完整性, 不包修改,不支持退换,同时也不承担用户因使用这些下载资源对自己和他人造成任何形式的伤害或损失;
6、 下载文件中如有侵权或不适当内容,请与我们联系,我们立即纠正。