

作品包括:
Word设计说明书1份
CAD版本图纸,共17张
摘要
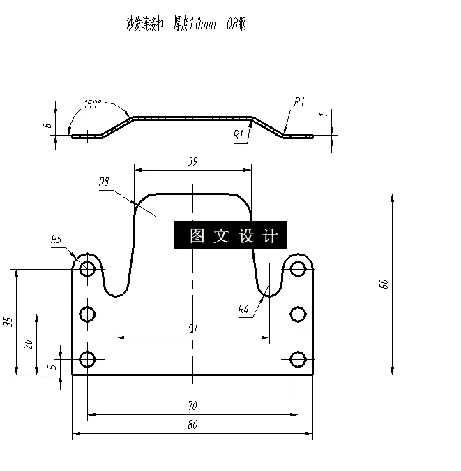
随着工业技术的发展,高效率的模具被得到广泛的应用,对于一个工件对应模具的设计加工,需要从多个方面深入研究,从而不断优化。本制件沙发连接扣选用材料08钢,沙发连接扣总体左右对称,厚度为1mm,有落料冲孔和弯曲三个工序完成,可以采用落料冲孔复合模和弯曲模工艺来进行生产。本文章通过对工件工艺的分析,设计模具方案,确定采用复合模方案,并确定模具整体结构,通过对工艺参数的计算,来选取冲压设备,并对模具各个零件进行计算设计。
温馨提示:
1、题目前面的备注【字母数字编号】为本站整理分类的编号,与课题内容无关,请选题时忽视;
2、若题目上备注三维,则表示文件里包含三维源文件,由于三维组成零件数量较多,为保证预览截图的简洁性,本站将三维文件夹进行了打包。三维及CAD预览截图,均为本站电脑打开软件进行截图的,保证能够打开,下载原件超高清,下载后解压即可;
3、本站所有资源如无特殊说明,都需要本地电脑安装Office2007。图纸软件为AutoCAD,PROE,UG,SolidWorks,CATIA等;
4、本站所有图文资料仅供用户学习参考,不作为任何商用或其他用途;
5、本站不保证下载资源的准确性、安全性和完整性, 不包修改,不支持退换,同时也不承担用户因使用这些下载资源对自己和他人造成任何形式的伤害或损失;
6、 下载文件中如有侵权或不适当内容,请与我们联系,我们立即纠正。