

作品包括:
Word设计说明书1份
CAD版本图纸,共8张
摘要
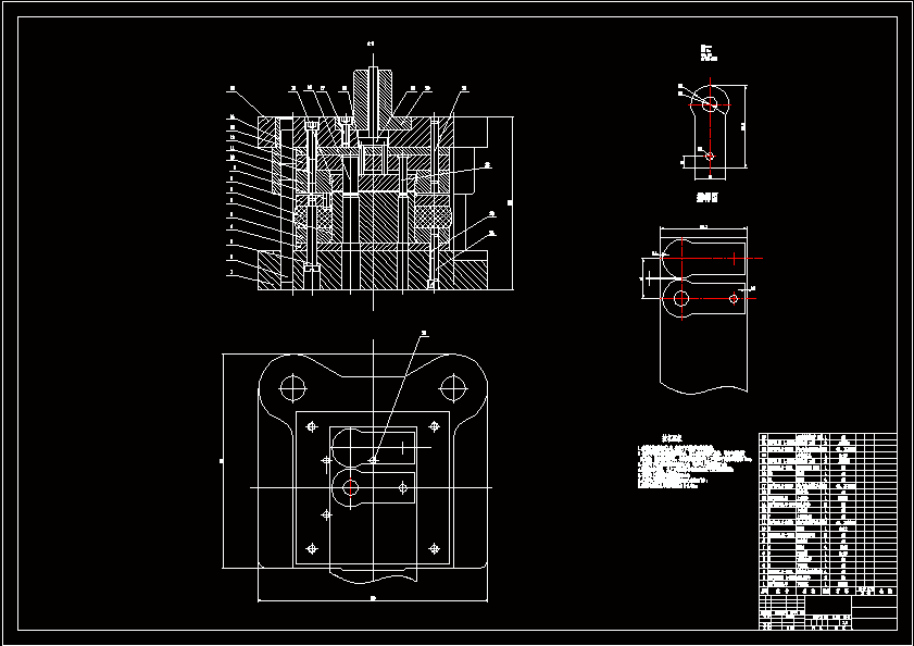
此设计是落料冲孔复合模的设计,首先对材料Q235进行分析,并确定此材料的各项性能满足冲裁的要求。由于材料厚度为2.0mm,相对壁厚又足够,所以经过三种工艺方案的分析确定使用倒装复合模具。设计此模具前需要进行排样方式的确定、刃口尺寸的计算、冲压力的计算、压力中心计算等,并确定卸料及出件方式后可对模具的主要零部件进行设计,此模具的主要工作部分为凸凹模,凸模,凹模,为了保证模具的使用寿命,应对主要的工作部件进行相应的热处理。模具设计完成后需要由冲压力来选择此模具所需的压力机并校正各项参数是否满足要求。
温馨提示:
1、题目前面的备注【字母数字编号】为本站整理分类的编号,与课题内容无关,请选题时忽视;
2、若题目上备注三维,则表示文件里包含三维源文件,由于三维组成零件数量较多,为保证预览截图的简洁性,本站将三维文件夹进行了打包。三维及CAD预览截图,均为本站电脑打开软件进行截图的,保证能够打开,下载原件超高清,下载后解压即可;
3、本站所有资源如无特殊说明,都需要本地电脑安装Office2007。图纸软件为AutoCAD,PROE,UG,SolidWorks,CATIA等;
4、本站所有图文资料仅供用户学习参考,不作为任何商用或其他用途;
5、本站不保证下载资源的准确性、安全性和完整性, 不包修改,不支持退换,同时也不承担用户因使用这些下载资源对自己和他人造成任何形式的伤害或损失;
6、 下载文件中如有侵权或不适当内容,请与我们联系,我们立即纠正。