

作品包括:
Word版设计说明书1份,共25页,约8000字
CAD版本图纸,共6张

摘 要
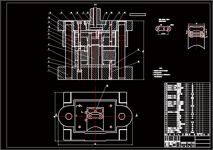
本文是对方形垫片的冲孔及其落料模具的设计,通过对零件图形的结构和生产工艺性的分析,决定采取冲孔和落料在同一道工序完成的复合模,同时考虑到倒装式复合模的冲孔废料直接由冲孔凸模从凸凹模内孔推下,无顶件装置,结构简单,操作方便,故选用倒装式复合模具。
此倒装式复合模具的设计,包含1.首先对零件的工艺性进行分析,然后选择了几个可行的方案,接着对工艺方案进行演算和比较,最终确定采用倒装式复合冲裁模,2.制订工艺流程,选择排样图,对材料的利用率进行计算,3.初步确定冲模结构,包括(1)模具的具体形式(2)定位装置(3)卸料装置 (4)导向零件(5)模架 4.冲裁力的计算 5.模具刃口尺寸的计算 6.冲裁模具主要零件的设计及计算 包括(1)落料凹模(2)冲孔凸模(3)凸凹模 7.标准零件的设计计算 包括(1)模架(2)导柱,导套 (3)上,下模座 (4)卸料螺钉 8.其它支承零件 包括(1)模柄 (2)方形垫片及垫板 9.紧固件的选择
关键词:冲孔; 落料; 倒装式; 复合模;
目 录
摘 要 1
前 言 1
1 设计任务书 2
2 冲压零件工艺性的分析 3
2.1 冲裁件的材料分析 3
2.2 冲裁件的结构工艺性 3
2.3 冲裁件的尺寸精度和表面粗糙度 3
3 冲压方案的确定 4
4 模具结构形式的确定 5
4.1 模具类型的选择 5
4.2 工件的定位方式 5
4.3 卸料方式 5
5 排样设计 6
5.1 搭边值的确定 6
5.2 排样方式的确定 6
5.3 材料利用率的计算 7
6 冲裁力的计算 9
6.1 冲裁力、卸料力及推件力的计算 9
6.1.1 冲裁力的计算 9
6.1.2 计算卸料力与推件力的大小 9
6.1.3 总冲压力的计算 10
6.2 压力机的选择 10
7 刃口尺寸的计算原则和方法 12
7.1 冲裁间隙 12
7.2刃口计算原则 13
7.3 刃口计算 13
8 模具主要零部件的设计 15
8.1落料凹模的设计 15
8.1.1 凹模外形的确定 15
8.1.2 凹模刃口结构方式的确定 16
8.1.3 凹模精度与材料的确定 16
8.2 冲孔凸模设计 17
8.2.1 凸模结构的确定 17
8.2.2 凸模高度的确定 17
8.2.3 凸模使用材料的选择 18
8.2.4 凸模精度的选择 18
8.3 凸凹模的设计 18
8.3.1 凸凹模外形的确定 18
8.3.2 凸凹模材料的选取 18
8.3.3 凸凹模精度的确定 19
8.3.4 凸凹模洞口类型的选取 19
8.4 卸料零件的设计 19
8.4.1 卸料板外形设计 19
8.4.2 卸料板材料的选择 19
8.4.3 卸料板整体精度的确定 19
8.5 模架的确定 20
9 压力机的校核 21
9.1 冲压设备的校核 21
9.2 冲压设备的选用 21
参考文献 22
温馨提示:
1、题目前面的备注【字母数字编号】为本站整理分类的编号,与课题内容无关,请选题时忽视;
2、若题目上备注三维,则表示文件里包含三维源文件,由于三维组成零件数量较多,为保证预览截图的简洁性,本站将三维文件夹进行了打包。三维及CAD预览截图,均为本站电脑打开软件进行截图的,保证能够打开,下载原件超高清,下载后解压即可;
3、本站所有资源如无特殊说明,都需要本地电脑安装Office2007。图纸软件为AutoCAD,PROE,UG,SolidWorks,CATIA等;
4、本站所有图文资料仅供用户学习参考,不作为任何商用或其他用途;
5、本站不保证下载资源的准确性、安全性和完整性, 不包修改,不支持退换,同时也不承担用户因使用这些下载资源对自己和他人造成任何形式的伤害或损失;
6、 下载文件中如有侵权或不适当内容,请与我们联系,我们立即纠正。