

作品包括:
Word设计说明书1份
CAD版本图纸,共8张
摘要
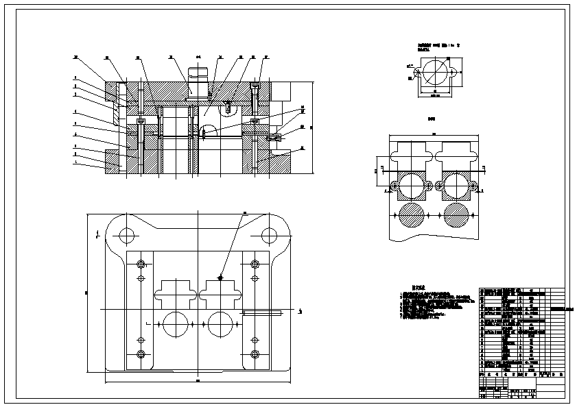
水泵连接垫圈冲压模具设计 需要对水泵连接垫圈进行详细的分析,分析一般包含三个方面,分别是材料分析,结构分析和工序分析。该工件水泵连接垫圈材料为6061铝,属于常用的钣金类材料,冲压性能比较好,结构上总体来说结构基本属于对称,厚度是1.5mm,水泵连接垫圈的整体外形规则,工件外形基本都是直线和圆弧过渡,。水泵连接垫圈主要有落料、冲孔的工序,可以采用级进模完成,由于多个工序同时完成,可以保证高的生成效率,同时还能提高工件的质量。
温馨提示:
1、题目前面的备注【字母数字编号】为本站整理分类的编号,与课题内容无关,请选题时忽视;
2、若题目上备注三维,则表示文件里包含三维源文件,由于三维组成零件数量较多,为保证预览截图的简洁性,本站将三维文件夹进行了打包。三维及CAD预览截图,均为本站电脑打开软件进行截图的,保证能够打开,下载原件超高清,下载后解压即可;
3、本站所有资源如无特殊说明,都需要本地电脑安装Office2007。图纸软件为AutoCAD,PROE,UG,SolidWorks,CATIA等;
4、本站所有图文资料仅供用户学习参考,不作为任何商用或其他用途;
5、本站不保证下载资源的准确性、安全性和完整性, 不包修改,不支持退换,同时也不承担用户因使用这些下载资源对自己和他人造成任何形式的伤害或损失;
6、 下载文件中如有侵权或不适当内容,请与我们联系,我们立即纠正。