

作品包括:
Word设计说明书1份
CAD版本图纸,共22张
摘要
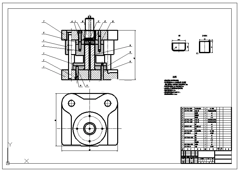
钢套零件冲压模具设计【圆筒胀形模-3套模具】 制件料厚t=1.5mm,结构简单,结构相对对称。为筒形件,需要落料、拉深和胀形工序,拉深需要两次成形。该制件形状简单,尺寸也不算很大,厚度适中,属于普通冲压件,但有几点应该注意: 1 根据工件的形状分析,该工件为圆筒形件,因此在加工时要考虑到整形工序; 2 拉深的h/d较大,要考虑能否一次拉成,且最后一次拉深成型是应注意保证圆角; 3 大批量生产,应重视模具材料的选择和模具结构的确定,保证模具的寿命; 4从安全考虑,要采取适当的取件方式,模具结构上设计好推件和取件方式。
温馨提示:
1、题目前面的备注【字母数字编号】为本站整理分类的编号,与课题内容无关,请选题时忽视;
2、若题目上备注三维,则表示文件里包含三维源文件,由于三维组成零件数量较多,为保证预览截图的简洁性,本站将三维文件夹进行了打包。三维及CAD预览截图,均为本站电脑打开软件进行截图的,保证能够打开,下载原件超高清,下载后解压即可;
3、本站所有资源如无特殊说明,都需要本地电脑安装Office2007。图纸软件为AutoCAD,PROE,UG,SolidWorks,CATIA等;
4、本站所有图文资料仅供用户学习参考,不作为任何商用或其他用途;
5、本站不保证下载资源的准确性、安全性和完整性, 不包修改,不支持退换,同时也不承担用户因使用这些下载资源对自己和他人造成任何形式的伤害或损失;
6、 下载文件中如有侵权或不适当内容,请与我们联系,我们立即纠正。