

作品包括:
Word版说明书1份,共38页,约15000字
CAD版本图纸,共10张
支撑板冲压工艺及模具设计
摘要
模具是工业生产中使用广泛的基础工艺装备。模具生产制造中所表现出来的高精度、高复杂性、高一致性、高生产率和低消耗是其他加工制造方法所不能比拟的。模具技术水平的高低已经成为衡量一个国家制造水平高低的重要标准,并在很大程度上决定着产品的质量、效益和新产品的开发能力。本设计课题是支撑板零件冲压工艺及模具设计,主要包括落料冲孔复合模及其弯曲模设计。本设计说明书主要阐述了支撑板落料冲孔复合模及其弯曲模的设计步骤过程。
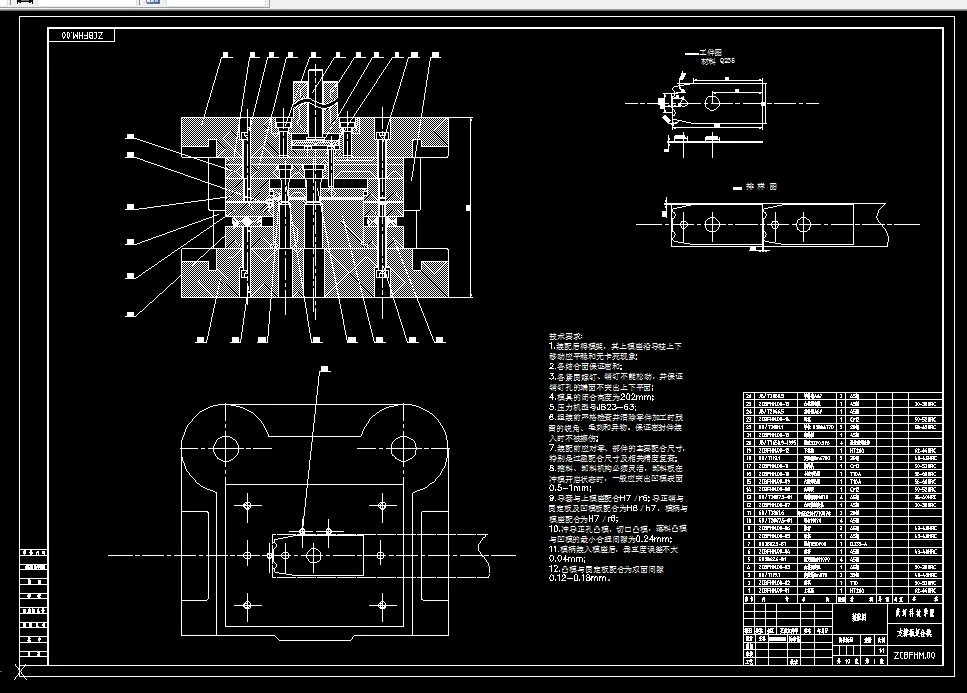
支撑板复合模采用倒装式结构,具有操作方便安全,生产效率高优点。该部分设计包括了对支撑板的冲裁工艺性分析;工件的排样与搭边计算;冲压力及冲压中心的计算;对模具主要零件的设计,如冲裁间隙的选择、凸模、凸凹模和凹模刃口部分尺寸计算、机构尺寸的确定;对模具标准件的选用分析,目前,模具零件大多已经标准化,设计时选用标准件,如模架主要零部件:导柱、导套、上下模座、弹性元件等。根据冲压力的计算进行了压力机的选择。
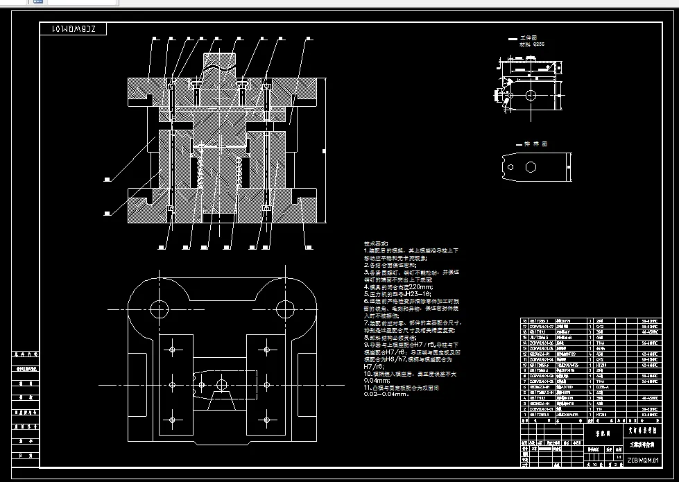
弯曲模的设计与复合模的设计类似,弯曲模结构上略为简单。这部分设计内容包括支撑板弯曲工艺分析;弯曲力计算;对弯曲后工件弯曲回弹量计算;弯曲模主要零件的设计,即凸模和凹模工作部分尺寸的计算,结构尺寸的设计。对模具标准件的选用分析,如模架主要零部件,导柱、导套、上下模座、垫板、固定板等。
关键词:冲压工艺,落料冲孔,复合模设计,弯曲模设计
目 录
1绪论 1
2复合模设计 2
2.1支撑板冲裁工艺性分析 2
2.1.1零件工艺性分析 2
2.1.2零件加工工艺方案的确定 3
2.1.3毛坯图形尺寸的确定 3
2.2冲裁件的排样、搭边与材料利用率的计算 4
2.2.1排样 4
2.2.2搭边 4
2.2.3材料的利用率 5
2.3冲裁间隙的选取 6
2.4冲压力的计算 7
2.5压力中心的计算 8
2.6凸、凹模刃口尺寸 9
2.6.1凸、凹模刃口尺寸公差计算的原则 9
2.6.2凸、凹模刃口尺寸计算的方法 10
2.7复合模主要零件凸、凹和凸凹模的结构设计 13
2.7.1凸模的设计 13
2.7.2凹模的设计 14
2.7.3凸凹模外型结构 16
2.8复合模总体设计与标准零件选用 16
2.9模具闭合高度与压力机装模高度的关系 21
2.10模架这要零部件 22
2.11压力机的选择 24
3支撑板弯曲模设计 26
3.1支撑板弯曲工艺性分析 26
3.2支撑板弯曲工艺力的计算 26
3.3支撑板弯曲回弹计算 27
3.4支撑板弯曲模结构设计 28
3.5弯曲模总体设计与标准零件选用 30
3.6压力机的选择 31
4结论 32
致谢 33
参考文献 34
温馨提示:
1、题目前面的备注【字母数字编号】为本站整理分类的编号,与课题内容无关,请选题时忽视;
2、若题目上备注三维,则表示文件里包含三维源文件,由于三维组成零件数量较多,为保证预览截图的简洁性,本站将三维文件夹进行了打包。三维及CAD预览截图,均为本站电脑打开软件进行截图的,保证能够打开,下载原件超高清,下载后解压即可;
3、本站所有资源如无特殊说明,都需要本地电脑安装Office2007。图纸软件为AutoCAD,PROE,UG,SolidWorks,CATIA等;
4、本站所有图文资料仅供用户学习参考,不作为任何商用或其他用途;
5、本站不保证下载资源的准确性、安全性和完整性, 不包修改,不支持退换,同时也不承担用户因使用这些下载资源对自己和他人造成任何形式的伤害或损失;
6、 下载文件中如有侵权或不适当内容,请与我们联系,我们立即纠正。