

作品包括:
Word版说明书一份,共56页,约25000字
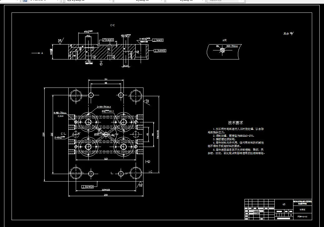
CAD版本图纸,共9张:
摘要:本文设计了一行星齿轮的注塑模具。内容包括制品材料的选择及材料性能的分析、塑料注塑模具的工作原理及应用、注射机的选用、浇注系统、成型零件和冷却系统的设计等部分。除此之外,还包括模具型腔的CAD/CAM部分。本文强调利用现代计算机辅助设计制造技术,运用了Pro/E、CAXA等国内外著名软件进行辅助设计。既保证了产品的质量,还大大地提高了制造生产率,缩短了产品更新的周期。该零件选用PA66,质量轻,化学稳定性高,PA66齿轮具有较高的力学强度和刚性,优良的耐磨性,自润滑性、耐疲劳性及耐热性,可在中等载荷、较高温度无润滑或少润滑下使用。
关键词:塑料;注塑模;CAD/CAM
目 录
引言 1
1 绪论 2
1.1 模具概述 2
1.1.1我国模具业存在的问题 2
1.1.2促进我国模具业发展的措施 4
1.1.3我国模具业的发展趋势 4
1.2 计算机软件概述 5
1.3 本设计工作 6
2 零件分析及模具结构设计 7
2.1 零件的作用 7
2.2 材料的选择 7
2.3 塑料成型特点及条件 7
2.4模具结构设计 8
2.5单分型面注射模的工作原理 8
3 注射机的选用及校核 9
3.1注射机的选用 9
3.2制品的体积估算 9
3.3根据体积选注射机 9
3.4注射机的校核 10
3.4.1注射量的校核 10
3.4.2锁模力的校核 10
3.4.3最大注射压力的校核 11
3.4.4注射机安装模具部分的尺寸校核 12
3.4.5开模行程的校核 13
4 浇注系统设计 14
4.1主流道设计 14
4.2冷料井设计 15
4.3分流道设计 15
4.4 浇口设计 16
5 成型零件的设计 18
5.1 塑料制件在模具中的位置 18
5.1.1分型面的确定 18
5.1.2型腔数量及排列方式 18
5.2 成型零件的设计 18
5.2.1成型零件工作尺寸的计算 18
5.2.2模具型腔侧壁和底板厚度的计算 20
6 排气系统的设计 22
6.1排气系统的作用和方式 22
6.2排气系统的设置 23
6.3各种不同树脂的排气槽深度 24
7 脱模机构的设计 25
7.1脱模力的计算 25
7.2推管强度计算与校核 26
7.2.1推管直径的计算 26
7.2.2推管应力校核 27
8 合模导向机构的设计 28
8.1导向机构的作用 28
8.2导柱导向机构 28
8.2.1导柱 28
8.2.2导向孔(有导套和无导套) 29
8.3导柱与导套的配合形式 30
8.4设计合模导向机构 30
9 温度调节系统的设计 32
9.1模具冷却装置的设计 32
9.2.1冷却系统的计算 32
9.2.2冷却系统的结构 35
9.3 模具加热装置的设计 35
10 结构零部件设计 36
10.1 注射模的标准模架 36
10.2支承零部件设计 37
10.2.1固定板、垫板 37
10.2.2支承件 38
10.3模座 39
10.4模板的选用 40
11 结构设计补充说明 41
11.1模具的开合模 41
11.2 模具杆类零件尺寸参数 41
11.2.1拉料杆 41
11.2.2推管 41
11.2.3 主型销 42
设计总结 43
参考文献 44
谢辞 45
附录一 46
温馨提示:
1、题目前面的备注【字母数字编号】为本站整理分类的编号,与课题内容无关,请选题时忽视;
2、若题目上备注三维,则表示文件里包含三维源文件,由于三维组成零件数量较多,为保证预览截图的简洁性,本站将三维文件夹进行了打包。三维及CAD预览截图,均为本站电脑打开软件进行截图的,保证能够打开,下载原件超高清,下载后解压即可;
3、本站所有资源如无特殊说明,都需要本地电脑安装Office2007。图纸软件为AutoCAD,PROE,UG,SolidWorks,CATIA等;
4、本站所有图文资料仅供用户学习参考,不作为任何商用或其他用途;
5、本站不保证下载资源的准确性、安全性和完整性, 不包修改,不支持退换,同时也不承担用户因使用这些下载资源对自己和他人造成任何形式的伤害或损失;
6、 下载文件中如有侵权或不适当内容,请与我们联系,我们立即纠正。