

作品包括:
word说明书一份,共29页,约9400字
CAD版本图纸,共9张
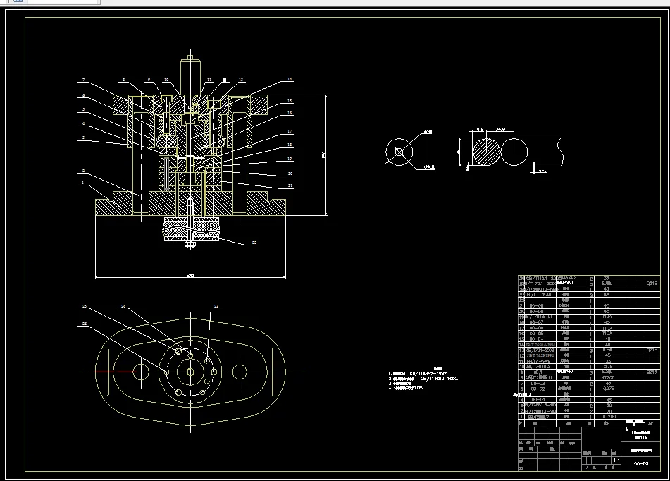
法兰盘冲压工艺与模具设计
摘 要 模具是工业产品生产使用的重要工业装备,它以其自身的特殊形状通过一些方式使原材料成型。现代工业生产中,由于模具的加工效率高,互换性好,节省原材料。
模具技术已成为衡量一个国家制造水平的重要标志之一。模具技术能促进工业产品的发展和质量的提高,并能获得极大的经济效益。模具是效益放大器,用模具生产的产品的价值往往是模具价值的几十倍、上百倍。
本设计运用冲压成型工艺及模具设计的基础知识,首先分析了工件的成形工艺及模具成形结构对制件质量的影响。介绍了冲压模具设计时要注意的要点,通过对制件进行工艺分析,可确定制件的成形加工用一套复合模即可。从控制制件尺寸精度出发,对冲压模具的各主要尺寸进行了理论计算,以确定各工作零件的尺寸,从模具设计到零部件的加工工艺以及装配工艺等进行详细的阐述,并应用CAD进行各重要零件的设计。
关键词:落料,冲孔,翻边
目 录
1 绪论 1
2 工艺分析 3
3 工艺方案的确定 4
4 主要设计尺寸的计算 5
4.1翻边高度校核 5
4.2排样与材料利用率计算 6
4.2.1毛坯尺寸计算 6
4.2.2排样搭边的设计 6
4.2.3搭边值的确定 6
4.3工艺力的计算 7
4.4复合模工作零件刃口尺寸计算 8
4.5翻边模凸凹模间隙大小及凹模的工作尺寸计算 9
4.6压力中心的确定与设备预选 10
5 设计选用模具零、部件 11
5.1复合模结构设计 11
5.1.1复合模结构的选取 11
5.1.2凹模的选取 11
5.1.3固定板的选取 12
5.1.4弹性卸料板的选取 13
5.1.5凸凹模设计 14
5.1.6冲孔凸模 15
5.1.7垫板 16
5.1.8模柄的选取 16
5.1.9上、下模座的选取 16
5.1.10弹性元件橡胶的选取 17
5.1.12顶件块 17
5.1.13支撑板 18
5.1.14卸料螺钉 18
5.1.15挡料销、导料销 19
5.1.16推料机构构的设计 19
5.1.17模架的选用 19
5.1.18 压力机的选择 20
5.1.19公称压力校核 20
5.1.20工作台面的校核 21
5.1.21行程次数校核 21
5.1.22滑块行程校核 21
5.1.23.模具总装图 22
5.2翻边模具设计 23
5.2.1模具结构原理 23
5.2.2凸、凹模的设计 23
5.2.3模架 24
5.2.4定位零件 24
5.2.5卸料出件装置 24
5.2.6压力机的选用与校核 25
5.2.7模具设计辅助程序 25
5.2.8模具总装图 26
6 设计总结 27
温馨提示:
1、题目前面的备注【字母数字编号】为本站整理分类的编号,与课题内容无关,请选题时忽视;
2、若题目上备注三维,则表示文件里包含三维源文件,由于三维组成零件数量较多,为保证预览截图的简洁性,本站将三维文件夹进行了打包。三维及CAD预览截图,均为本站电脑打开软件进行截图的,保证能够打开,下载原件超高清,下载后解压即可;
3、本站所有资源如无特殊说明,都需要本地电脑安装Office2007。图纸软件为AutoCAD,PROE,UG,SolidWorks,CATIA等;
4、本站所有图文资料仅供用户学习参考,不作为任何商用或其他用途;
5、本站不保证下载资源的准确性、安全性和完整性, 不包修改,不支持退换,同时也不承担用户因使用这些下载资源对自己和他人造成任何形式的伤害或损失;
6、 下载文件中如有侵权或不适当内容,请与我们联系,我们立即纠正。