

作品包括:
Word版说明书1份,共59页,约35000字
CAD版本图纸,共6张

目 录
第一章 任务书 3
第一节 设计任务与内容 3
第二节 基本资料 3
第二章 污水处理简介 4
第一节 设计任务与内容 4
第二节 各个处理构筑物的能耗分析 4
第三节 针对各个处理构筑物的节能途径 5
第三章 污水处理工艺方案选择说明 7
第一节 设计原则 7
第二节 方案预选 7
第三节 前期计算 7
第四节 污水、污泥处理工艺确定、选择 8
第五节 方案选定 21
第四章 主要处理设施工艺计算 22
第一节 格栅间 22
第二节 提升泵房及集水井 27
第三节 沉砂池设计 32
第四节 厌氧池设计 34
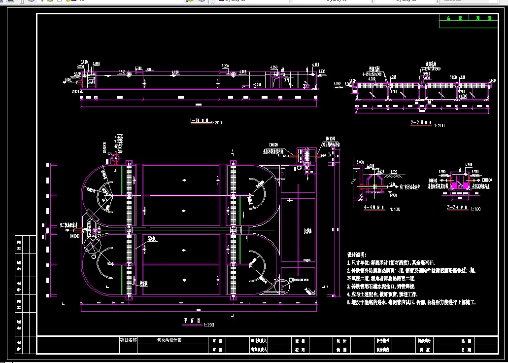
第五节 氧化沟设计 35
第六节 二沉池设计 41
第五章 主要设备选择说明 45
第一节 设备的选择原则 45
第二节 曝气设备的选择 45
第三节 刮泥设备的选择 45
第四节 泵的选型 46
第六章 污水厂总体布置 49
第一节 主要构(建)筑物与附属建筑物 49
第二节 污水厂平面布置 50
第三节 污水厂高程布置 52
第七章 总结 55
温馨提示:
1、题目前面的备注【字母数字编号】为本站整理分类的编号,与课题内容无关,请选题时忽视;
2、若题目上备注三维,则表示文件里包含三维源文件,由于三维组成零件数量较多,为保证预览截图的简洁性,本站将三维文件夹进行了打包。三维及CAD预览截图,均为本站电脑打开软件进行截图的,保证能够打开,下载原件超高清,下载后解压即可;
3、本站所有资源如无特殊说明,都需要本地电脑安装Office2007。图纸软件为AutoCAD,PROE,UG,SolidWorks,CATIA等;
4、本站所有图文资料仅供用户学习参考,不作为任何商用或其他用途;
5、本站不保证下载资源的准确性、安全性和完整性, 不包修改,不支持退换,同时也不承担用户因使用这些下载资源对自己和他人造成任何形式的伤害或损失;
6、 下载文件中如有侵权或不适当内容,请与我们联系,我们立即纠正。