

作品包括:
Word版说明书1份,共20页,约7500字
CAD版本图纸,共4张

目录
一、概述及设计内容………………………………………………………………………1
1.1概述…………………………………………………………………………………………...1
1.1.1生产工艺…………………………………………………………………………………….1
1.1.2粉尘来源…………………………………………………………………………………….1
1.1.3水泥厂粉尘的特性及危害………………………………………………………………….2
1.2设计内容……………………………………………………………………………………..3
二、工作原理…………………………………………………………………………………4
三、设计计算…………………………………………………………………………………5
3.1集气罩………………………………………………………………………………………..5
3.1.1破碎机规格………………………………………………………………………………….6
3.1.2集气罩规格………………………………………………………………………………….6
3.2风量…………………………………………………………………………………………...6
3.2.1整体密闭罩风量…………………………………………………………………………….6
3.2.2低悬罩风量………………………………………………………………………………….6
3.2.3总吸风量…………………………………………………………………………………….7
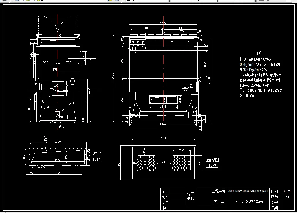
3.3旋风除尘器………………………………………………………………………………….7
3.3.1旋风除尘器进口速度V……………………………………………………………………...7
3.3.2进口断面面积……………………………………………………………………………….7
3.3.3实际进口风速……………………………………………………………………………….8
3.4 旋风除尘器的除尘效率………………………………………………………………….8
3.4.1影响除尘效率因素………………………………………………………………………….8
3.4.2涡流系数…………………………………………………………………………………….8
3.4.3内外交界圆柱直径………………………………………………………………………….8
3.4.4交界面上气流的切向速度………………………………………………………………….8
3.4.5外涡旋气流平均径向速度………………………………………………………………….9
3.4.6分割直径…………………………………………………………………………………….9
3.4.7除尘效率…………………………………………………………………………………….9
3.5二级除尘器的设计及总效率计算………………………………………………………9
3.5.1布袋除尘器……………………………………………...…………………………………10
3.5.2总效率……………………………………………………………………………………...10
3.6烟囱设计计算……………………………………………………………………………...10
3.6.1烟囱直径…………………………………………………………………………………...10
3.6.2烟囱高度…………………………………………………………………………………...11
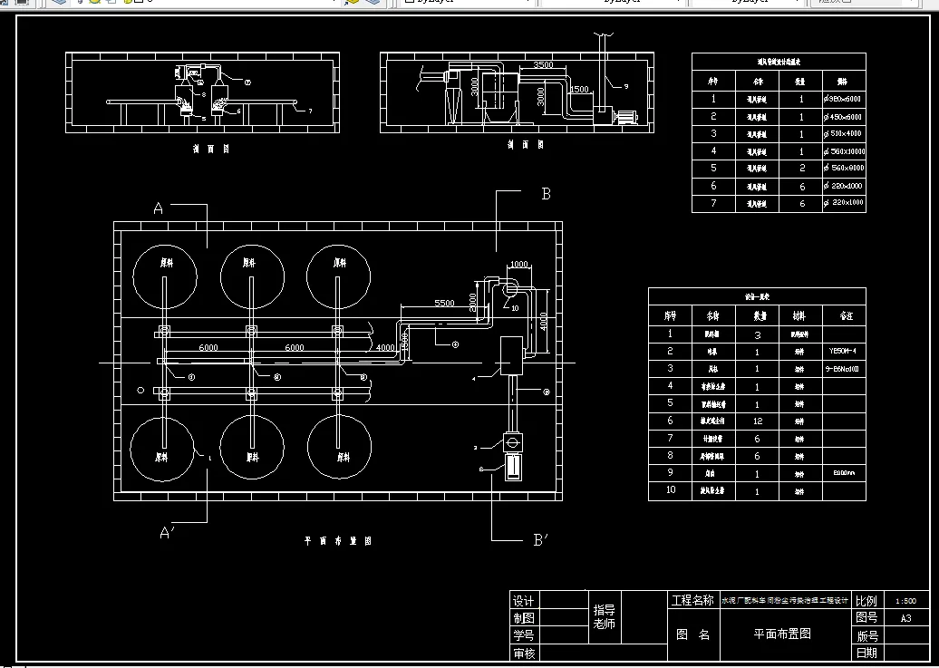
3.7管道压力损失计算……………………………………………………………………….11
3.7.1管道布置…………………………………………………………………………………...11
3.7.2管径和管道压力损失……………………………………………………………………...12
3.7.3联管路压力平衡…………………………………………………………………………...14
3.7.4除尘系统总压力损失……………………………………………………………………...15
3.7.5管道计算表………………………………………………………………………………...15
3.8风机和电机………………………………………………………………………………...16
3.8.1选择通风机的计算风量…………………………………………………………………...16
3.8.2选择风机的计算风压……………………………………………………………………...16
3.8.3选型………………………………………………………………………………………...16
四、设计心得………………………………………………………………………………..17
五、参考文献………………………………………………………………………………..17
温馨提示:
1、题目前面的备注【字母数字编号】为本站整理分类的编号,与课题内容无关,请选题时忽视;
2、若题目上备注三维,则表示文件里包含三维源文件,由于三维组成零件数量较多,为保证预览截图的简洁性,本站将三维文件夹进行了打包。三维及CAD预览截图,均为本站电脑打开软件进行截图的,保证能够打开,下载原件超高清,下载后解压即可;
3、本站所有资源如无特殊说明,都需要本地电脑安装Office2007。图纸软件为AutoCAD,PROE,UG,SolidWorks,CATIA等;
4、本站所有图文资料仅供用户学习参考,不作为任何商用或其他用途;
5、本站不保证下载资源的准确性、安全性和完整性, 不包修改,不支持退换,同时也不承担用户因使用这些下载资源对自己和他人造成任何形式的伤害或损失;
6、 下载文件中如有侵权或不适当内容,请与我们联系,我们立即纠正。