

作品包括:
Word版说明书1份,共59页,约19000字
CAD版本图纸,共13张
![1690190689566143.webp 8MHZRWFG(ER]TP$}E3@JGD8.webp](/static/upload/image/20230724/1690190689566143.webp)
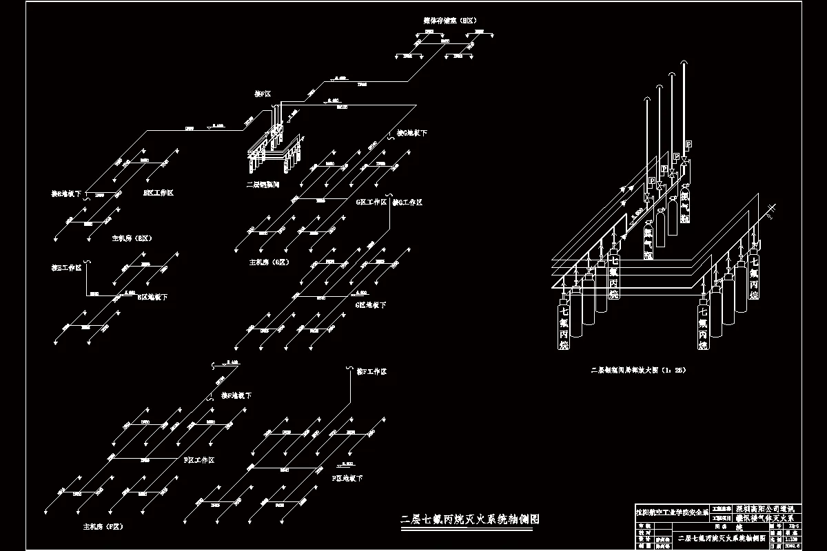
摘要:本文根据深圳高阳万国电脑有限公司通讯楼的具体工程概况,采用全淹没式七氟丙烷(FM-200)灭火系统对其进行保护,同时对目前哈龙灭火系统替代产品的灭火性能、使用场所及对环境与人身安全影响进行了分析,对七氟丙烷(FM-200)气体灭火系统的灭火机理、设计要求以及系统维护进行了全面的调查、分析与研究,包括自动报警系统的设计和一些必要的安全疏散要求以及对系统的经济预算,完成了本文设计。
关键词: 哈龙 七氟丙烷 自动报警 经济预算
目录
摘要
目录
前言- - - - - - - - - - - - - - - - - - - - - - - - - - - - - - - -1
第一章 七氟丙烷(FM-200)灭火系统简介- - - - - - - - - - - - - - -1
第二章 现阶段哈龙灭火系统替代品的发展- - - - - - - - - - - - - - - 3
第三章 深圳市高阳万国电脑系统有限公司通讯楼概况- - - - - - - - - - 7
第四章 七氟丙烷灭火系统设计与计算- - - - - - - - - - - - - - - - - 8
4.1 七氟丙烷灭火系统防护区设计- - - - - - - - - - - - - - - -8
4.2 七氟丙烷灭火系统设计及计算- - - - - - - - - - - - - - - - -11
4.3 七氟丙烷灭火系统设备选型- - - - - - - - - - - - - - - -42
4.4 七氟丙烷灭火系统安装与维护- - - - - - - - - - - - - - -45
第五章 火灾自动报警系统设计- - - - - - - - - - - - - - - - - - - -47
第六章 安全疏散- - - - - - - - - - - - - - -- - - - - - - - - - - 50
第七章 经济预算- - - - - - - - - - - - - - -- - - - - - - - - - - 50
后记- - - - - - - - - - - - - - - - - - - - - - - - - - - - - - - 53
参考文献- - - - - - - - - - - - - - -- - - - - - - - - - - - - - -54
温馨提示:
1、题目前面的备注【字母数字编号】为本站整理分类的编号,与课题内容无关,请选题时忽视;
2、若题目上备注三维,则表示文件里包含三维源文件,由于三维组成零件数量较多,为保证预览截图的简洁性,本站将三维文件夹进行了打包。三维及CAD预览截图,均为本站电脑打开软件进行截图的,保证能够打开,下载原件超高清,下载后解压即可;
3、本站所有资源如无特殊说明,都需要本地电脑安装Office2007。图纸软件为AutoCAD,PROE,UG,SolidWorks,CATIA等;
4、本站所有图文资料仅供用户学习参考,不作为任何商用或其他用途;
5、本站不保证下载资源的准确性、安全性和完整性, 不包修改,不支持退换,同时也不承担用户因使用这些下载资源对自己和他人造成任何形式的伤害或损失;
6、 下载文件中如有侵权或不适当内容,请与我们联系,我们立即纠正。