

作品包括:
Word版说明书1份,共38页,约15000字
CAD版本图纸,共3张

摘 要
高效聚羧酸系减水剂是一种优秀的水凝混泥土外加剂,在水泥保塑性、降低坍落度损方面具有显著作用。高效减水剂的基本作用是通过在水泥颗粒上吸附,使水泥处于分散状态,从而改变了新拌水泥混凝土的工作性和硬化混凝土的力学性能。研究并开发出一种新型的高效聚羧酸减水剂,具有巨大的应用场景。
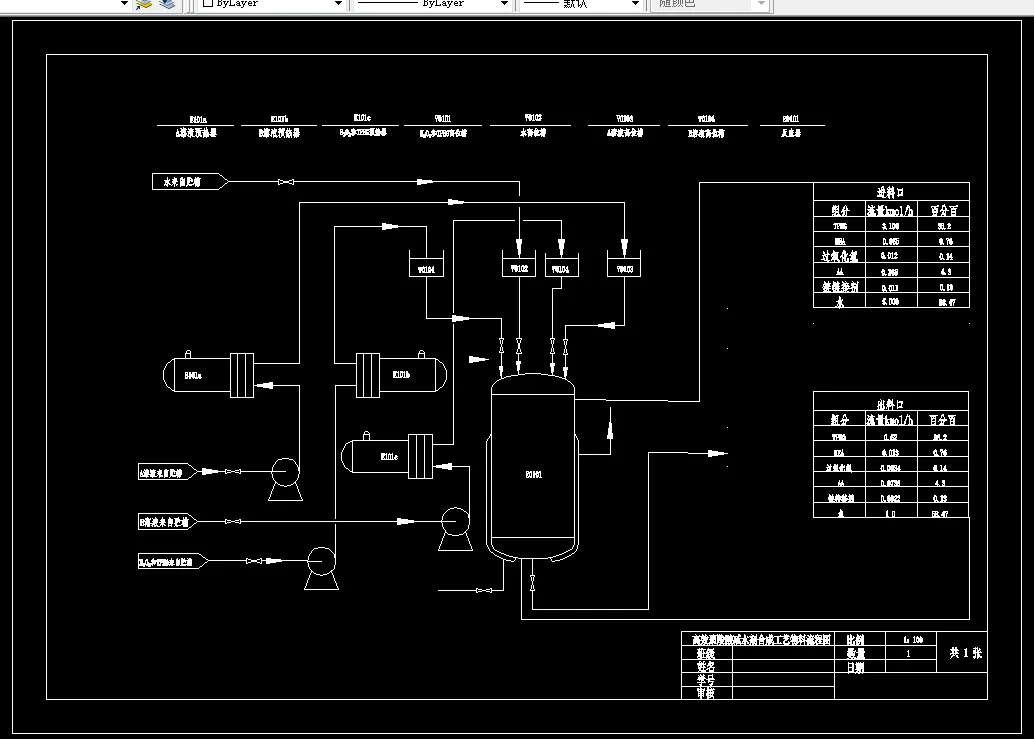
此次设计的是处理量为5万吨/年的高效聚羧酸减水剂合成工艺,采用TPEG(甲基烯丙基聚氧乙烯醚)为原料的双滴加生产工艺流程,选用搪瓷立式反应搅拌釜。为了满足生产要求,查阅资料和计算。通过物料衡算、热量衡算、釜设备计算,得到一系列数据参数。最终画出主设备图、工艺流程图、物料衡算图。主设备数据为反应釜体积V=32.6m3,反应釜内径Di=3200mm,釜体高度H:4800mm,搅拌器内径DJ:2910mm等。
关键词:甲基烯丙基聚氧乙烯醚,聚羧酸减水剂,反应釜设计
目 录
设计说明 I
Design elucidation II
主要符号说明 iii
1 绪 论 4
1.1高效减水剂概述 4
1.1.1高效减水剂的内涵及作用 4
1.1.2高效减水剂的种类 4
1.2聚羧酸减水剂的发展现状 6
1.2.1国外聚羧酸系减水剂的研究现状 6
1.2.2国内聚羧酸系减水剂的研究现状 7
1.3聚羧酸系高效减水剂的作用机理研究现状 8
1.3.1聚羧酸系高效减水剂的作用机理 8
1.3.2合成技术难点 8
1.4聚羧酸类减水剂合成的方法 9
1.5聚羧酸高性能减水剂存在的问题和发展方向 10
1.5.1聚羧酸系减水剂应用中易遇到的难题 10
1.5.2发展方向 10
1.6本设计研究的主要内容 11
2 工艺计算 12
2.1设计任务及条件 12
2.1.1设计任务 12
2.1.2设计目标 12
2.2工艺选择 12
2.3 系统物料衡算 13
2.3.1原料的处理量 13
2.3.2原料起始浓度 14
2.3.3反应时间 14
2.3.4物料衡算 15
2.4热量衡算 16
2.4.1能量衡算 16
2.4.2换热器计算 16
2.5反应釜釜体设计 17
2.5.1反应釜的直径和高度 18
2.6筒体壁厚设计 19
2.6.1设计参数确定 19
2.6.2筒体的壁厚 19
2.6.3封头壁厚设计 19
2.7反应釜夹套设计 20
2.7.1夹套DN、PN的确定 20
2.7.2夹套筒体的壁厚 20
2.7.3夹套筒体的高度 21
2.7.4夹套封头设计 21
2.8反应釜釜体及夹套的压力试验 21
2.8.1釜体水压试验 21
2.8.2夹套的液压试验 22
2.9搅拌器的选型 23
2.9.1搅拌桨的尺寸及安装位置 23
2.9.2搅拌功率的计算 24
2.9.3搅拌轴的的初步计算 24
2.10传动装置选型 25
2.10.1电动机的选型 25
2.11轴封装置选型 26
2.12工艺接管设计 27
2.13支座选型 27
2.14人孔设计 28
2.14.1人孔的选择 28
2.14.2开孔补强设计 28
3、 开孔所需补强面积: 28
3设计结果 32
参考文献 33
附 录 35
致 谢 36
温馨提示:
1、题目前面的备注【字母数字编号】为本站整理分类的编号,与课题内容无关,请选题时忽视;
2、若题目上备注三维,则表示文件里包含三维源文件,由于三维组成零件数量较多,为保证预览截图的简洁性,本站将三维文件夹进行了打包。三维及CAD预览截图,均为本站电脑打开软件进行截图的,保证能够打开,下载原件超高清,下载后解压即可;
3、本站所有资源如无特殊说明,都需要本地电脑安装Office2007。图纸软件为AutoCAD,PROE,UG,SolidWorks,CATIA等;
4、本站所有图文资料仅供用户学习参考,不作为任何商用或其他用途;
5、本站不保证下载资源的准确性、安全性和完整性, 不包修改,不支持退换,同时也不承担用户因使用这些下载资源对自己和他人造成任何形式的伤害或损失;
6、 下载文件中如有侵权或不适当内容,请与我们联系,我们立即纠正。