

作品包括:
Word版说明书1份,共76页,约20000字
任务书一份
外文翻译一份
PPT答辩一份
CAD版本图纸,共6张
![1751171632148419.webp SJL@~P]ZK0V48_W$FCQC@5C.webp](/static/upload/image/20250629/1751171632148419.webp)
摘要
本次设计主要分为水轮机选型设计、调节保证计算、水电站厂房布置设计、油、气、水系统设计。水轮机的选型设计是根据水电站设计部门提供的原始资料及参数,选择合理的水轮机型号和计算水轮机的各种数据,然后进行对比选出最优的方案。这一步是一项非常重要的工作,他直接关系到水电站的机组能否长期稳定运行、投资多少,在本次设计中,也对后面的调节保证计算计算、水电站厂房布置有至关重要的作用。在调节保证计算中主要是确定导叶的关闭时间,确保水力发电机组在甩负荷过程中,机组的最大转速上升值及最大压力上升值不超过额定值。本次厂房布置设计是在水电站主要机电设备已经基本确定的条件下,进行水轮机、发电机、调速器、油压装置和进水阀等机组附属设备的合理布置,并进行油、气、水辅助设备及其系统装置的布置,以确定厂房尺寸。
关键词:水轮机选型设计 调节保证计算 水电站厂房布置设计 辅助系统设计
目录
摘要 1
一 水轮机选型 3
1 基本资料 3
2 水轮机选型的原则 3
3 水轮机台数及型号的选择 3
3.1机组台数的选择 3
3.2机组单机容量 4
3.3机组型号的选择 5
4水轮机主要参数的计算 5
4.1转轮直径 的确定 5
4.2水轮机额定转速的确定 6
4.3效率及单位参数的修正 7
4.4核对所选的 和 9
4.5确定水轮机导叶的最大可能开度 12
4.6计算水轮机的设计流量 13
4.7确定水轮机的允许吸出高度 13
4.8计算水轮机的飞逸转速 17
4.9计算水轮机的轴向水推力 17
4.10估算水轮机的质量 17
4.11混流式水轮机的安装高程: 18
4.12水轮机运转综合特性曲线的绘制 18
5水轮发电机的初步选择计算 22
5.1发电机主要尺寸的估算 22
5.2发电机外型尺寸估算 24
5.3水轮发电机的质量估算 26
6蜗壳、尾水管的选择和计算 27
6.1 蜗壳的计算 27
6.2 尾水管的计算 31
二 调节保证计算 32
1 调节保证计算的任务及标准 32
1.1调节保证计算的任务 32
1.2调节保证计算的标准 32
2电站基本参数 33
2.1 电站设计参数 33
2.2 水轮机设计参数 33
2.3 发电机参数 33
3额定水头、最大水头下发额定出力时压力引水系统的 33
3.1蜗壳的 33
3.2尾水管的 35
3.3引水管的 37
3.4计算 37
3.5平均流速 38
4 初定导叶的直线关闭时间 38
5水击压力上升计算 38
5.1水击波速计算 38
5.2管道水力损失 39
5.3管道特征系数计算 40
5.4最大压力上升计算 40
5.5水击计算 41
6最大转速上升计算 43
7结论 45
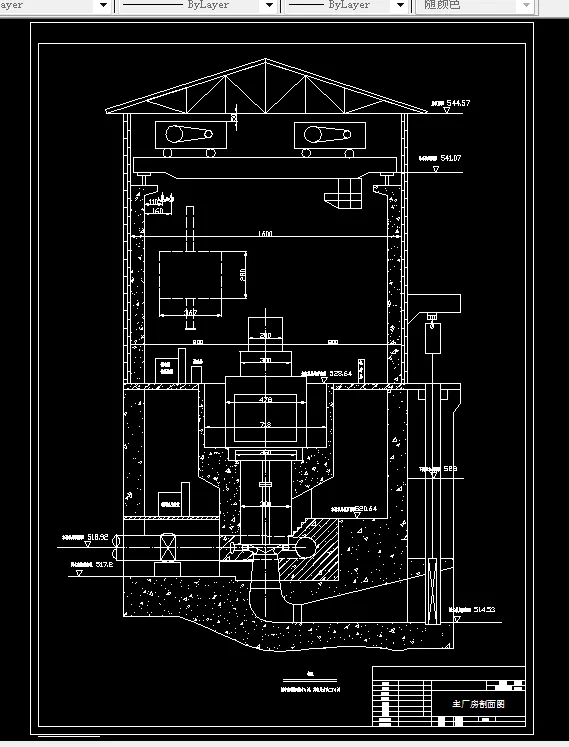
三 水电站厂房布置设计 46
1主厂房平面设计 46
1.1主厂房长度的确定 46
1.2主厂房宽度的确定 48
1.3发电机层的设备和设施的布置 48
2主厂房的横剖面设计 49
2.1水轮机的安装高程 50
2.2尾水管底板安装高程 50
2.3进水管地面高程 50
2.4水轮机层地面高程 50
2.5发电机层地面高程 51
2.6吊车轨道顶的高程 51
2.7厂房顶部高程 51
2.8尾水平台高程 52
2.9装配厂高程 52
3绘制发电机平面设计图 52
4绘制主厂房的横剖面图 52
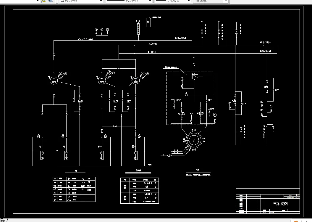
四 辅助系统设计 53
1辅助设备的选择 53
1.1进水阀 53
1.2调速器 53
1.3压力油罐容积估算 54
2透平油系统 55
2.1用油量估算 55
2.2 油系统设备的选择 57
2.3油系统图 58
3压缩空气系统 58
3.1低压气系统 58
3.2中压气系统 62
3.3空气压缩系统图 63
4水系统的设计 63
4.1技术供水系统 63
4.2 消防供水系统 66
4.3排水系统 66
五 结论 70
六 总结与体会 71
七 致谢 72
参考文献 73
温馨提示:
1、题目前面的备注【字母数字编号】为本站整理分类的编号,与课题内容无关,请选题时忽视;
2、若题目上备注三维,则表示文件里包含三维源文件,由于三维组成零件数量较多,为保证预览截图的简洁性,本站将三维文件夹进行了打包。三维及CAD预览截图,均为本站电脑打开软件进行截图的,保证能够打开,下载原件超高清,下载后解压即可;
3、本站所有资源如无特殊说明,都需要本地电脑安装Office2007。图纸软件为AutoCAD,PROE,UG,SolidWorks,CATIA等;
4、本站所有图文资料仅供用户学习参考,不作为任何商用或其他用途;
5、本站不保证下载资源的准确性、安全性和完整性, 不包修改,不支持退换,同时也不承担用户因使用这些下载资源对自己和他人造成任何形式的伤害或损失;
6、 下载文件中如有侵权或不适当内容,请与我们联系,我们立即纠正。