

作品包括:
Word版设计说明书1份
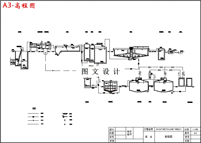
CAD版本图纸,共4张
摘要
本设计要求处理水量为30000m3/d的城市生活污水,设计方案针对已运行稳定有效的A2/ O活性污泥法工艺处理城市生活污水。A2O工艺由于不同环境条件,不同功能的微生物群落的有机配合,加之厌氧、缺氧条件下,部分不可生物降解的有机物(CODNB)能被开环或断链,使得N、P、有机碳被同时去除,并提高对CODNB的去除效果。它可以同时完成有机物的去除,硝化脱氮、磷的过量摄取而被去除等功能,脱氮的前提是NH3--N应完全硝化,好氧池能完成这一功能,缺氧池则完成脱氮功能。厌氧池和好氧池联合完成除磷功能。
温馨提示:
1、题目前面的备注【字母数字编号】为本站整理分类的编号,与课题内容无关,请选题时忽视;
2、若题目上备注三维,则表示文件里包含三维源文件,由于三维组成零件数量较多,为保证预览截图的简洁性,本站将三维文件夹进行了打包。三维及CAD预览截图,均为本站电脑打开软件进行截图的,保证能够打开,下载原件超高清,下载后解压即可;
3、本站所有资源如无特殊说明,都需要本地电脑安装Office2007。图纸软件为AutoCAD,PROE,UG,SolidWorks,CATIA等;
4、本站所有图文资料仅供用户学习参考,不作为任何商用或其他用途;
5、本站不保证下载资源的准确性、安全性和完整性, 不包修改,不支持退换,同时也不承担用户因使用这些下载资源对自己和他人造成任何形式的伤害或损失;
6、 下载文件中如有侵权或不适当内容,请与我们联系,我们立即纠正。