

作品包括:
Word版设计说明书1份
CAD版本图纸,共3张
摘要
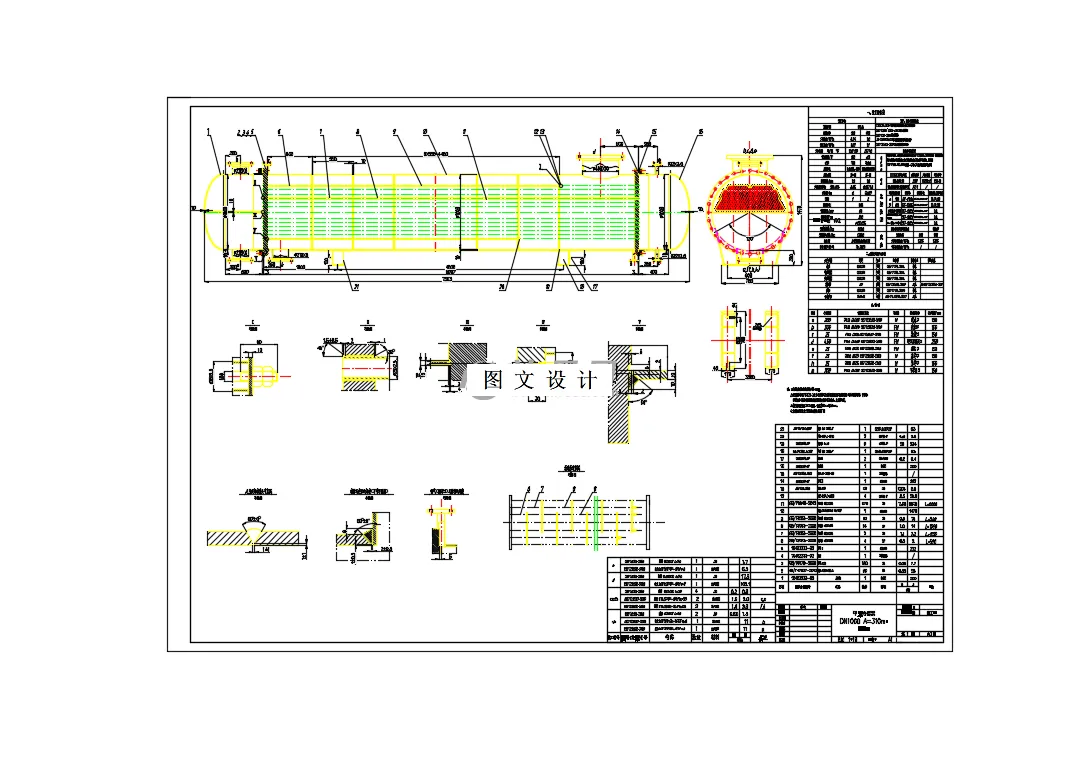
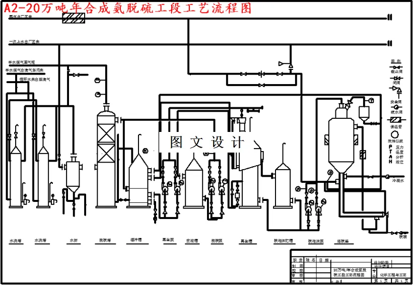
本设计对焦炉煤气净化脱硫工艺进行了设计计算,着重设计计算了脱硫过程的关键设备,包括物料衡算,热量衡算,填料塔反应器尺寸的计算及辅助设备的选取,并对主要设备进行了机械强度校核。工业生产中焦炉煤气脱硫一般用湿法脱硫或者用干法脱硫,这是相对比较普遍的的脱硫方法。干法脱硫是对处理后的焦炉煤气中还含有的少量硫进行脱除。湿法脱硫方法较多,且能脱除含硫量较高的煤气。湿法脱硫主要有改良ADA法、PDS法脱硫、氨水液相催化法、FD法脱硫以及栲胶脱硫工艺等方法。栲胶法本身有许多优越之处,是目前工业化生产中应用较多的方法。计算得塔径为4.0m,塔高21.74m,填料层高度9m,压降为450Pa。
温馨提示:
1、题目前面的备注【字母数字编号】为本站整理分类的编号,与课题内容无关,请选题时忽视;
2、若题目上备注三维,则表示文件里包含三维源文件,由于三维组成零件数量较多,为保证预览截图的简洁性,本站将三维文件夹进行了打包。三维及CAD预览截图,均为本站电脑打开软件进行截图的,保证能够打开,下载原件超高清,下载后解压即可;
3、本站所有资源如无特殊说明,都需要本地电脑安装Office2007。图纸软件为AutoCAD,PROE,UG,SolidWorks,CATIA等;
4、本站所有图文资料仅供用户学习参考,不作为任何商用或其他用途;
5、本站不保证下载资源的准确性、安全性和完整性, 不包修改,不支持退换,同时也不承担用户因使用这些下载资源对自己和他人造成任何形式的伤害或损失;
6、 下载文件中如有侵权或不适当内容,请与我们联系,我们立即纠正。